HEATING & AIR CONDITIONING - COOLER UNIT

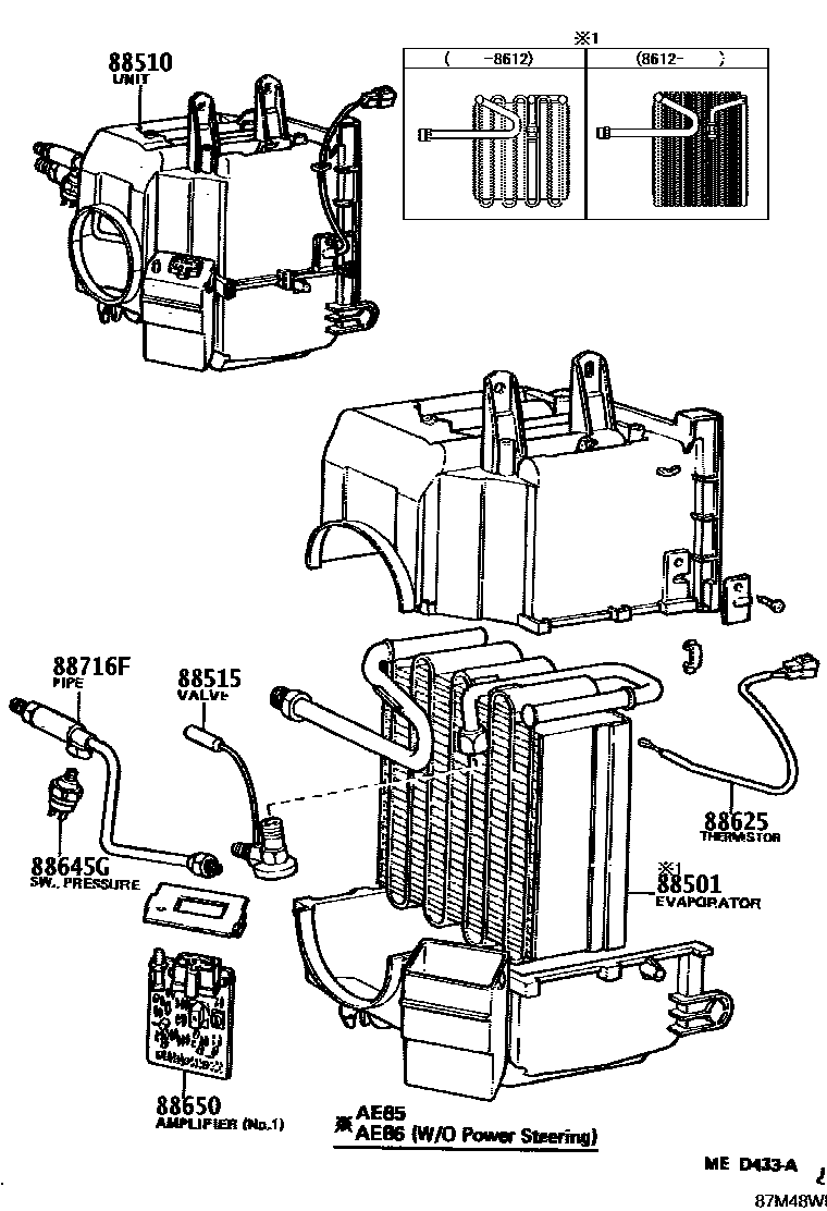
88501EVAPORATOR SUB-ASSY, COOLER, NO.1
88510UNIT ASSY, COOLER
W/PS
W/PS
W/PS
W/PS
88645GSWITCH, PRESSURE
88650AMPLIFIER ASSY, COOLER STABILIZER
NO.1
W/*AAC,NO.2
NO.1
W/PS,NO.1
88716FPIPE, COOLER REFRIGERANT LIQUID, F
7 parts on this diagram · 2 diagrams in section