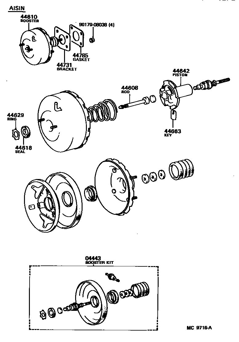
BRAKE BOOSTER & VACUUM TUBE

04443BOOSTER KIT, BRAKE
AISIN
JKC
NISSIN
AISIN
44608PUSH ROD SUB-ASSY, BOOSTER
AISIN
JKC
44610BOOSTER ASSY, BRAKE
AISIN
JKC
NISSIN
AISIN
44618SEAL, BOOSTER BODY
44629RING, CIRCULAR INTERNAL
NISSIN
AISIN
44642PISTON, BRAKE BOOSTER
44663KEY, VALVE STOPPER
44731BRACKET, BRAKE BOOSTER, FRONT
44785GASKET, BRAKE BOOSTER
9017908038
main90179-08038
10 parts on this diagram · 4 diagrams in section