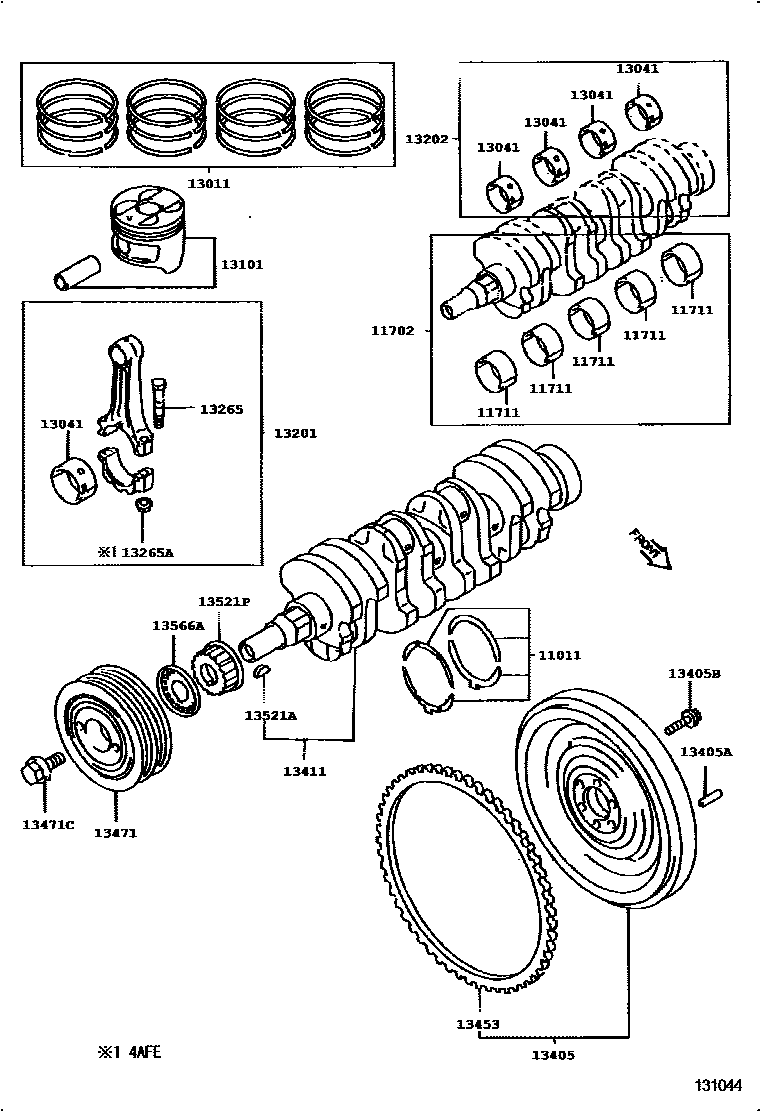
CRANKSHAFT & PISTON

11011WASHER SET, CRANKSHAFT THRUST
11702BEARING SET, CRANKSHAFT
11711BEARING, CRANKSHAFT
MARK 1
MARK 2
MARK 3
MARK 4
MARK 5
13011RING SET, PISTON
13041BEARING, CONNECTING ROD
MARK 1
MARK 2
MARK 3
MARK 1
MARK 2
MARK 3
13101PISTON SUB-ASSY, W/PIN
13201ROD SUB-ASSY, CONNECTING
13202BEARING SET, CONNECTING ROD
13265BOLT, CONNECTING ROD
13265ANUT, HEXAGON(FOR CONNECTING ROD BOLT)
13405FLYWHEEL SUB-ASSY
13405APIN, STRAIGHT(FOR FLYWHEEL)
13405BBOLT, FLYWHEEL SETTING
13411CRANKSHAFT
13453GEAR, FLYWHEEL RING
13471PULLEY, CRANKSHAFT
13471CBOLT(FOR CRANKSHAFT PULLEY SET)
13521AKEY(FOR CRANKSHAFT TIMING GEAR)
13521PPULLEY, CRANKSHAFT TIMING
13566AGUIDE, TIMING BELT
20 parts on this diagram · 2 diagrams in section