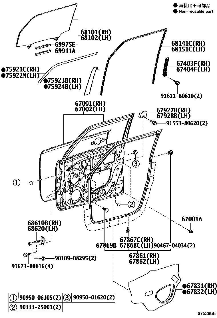
FRONT DOOR PANEL & GLASS

67001PANEL SUB-ASSY, FRONT DOOR, RH
67002PANEL SUB-ASSY, FRONT DOOR, LH
67403FFRAME SUB-ASSY, FRONT DOOR, REAR LOWER RH
67404FFRAME SUB-ASSY, FRONT DOOR, REAR LOWER LH
67831COVER, FRONT DOOR SERVICE HOLE, RH
67832COVER, FRONT DOOR SERVICE HOLE, LH
67867CRETAINER, FRONT DOOR WEATHERSTRIP, RH
67868CRETAINER, FRONT DOOR WEATHERSTRIP, LH
67869BCLIP, FRONT DOOR WEATHERSTRIP
67927BCUSHION, SEPARATION DOOR STIFFENER, NO.1
67928BCUSHION, SEPARATION DOOR STIFFENER, NO.2
68141CRUN, FRONT DOOR GLASS, RH
68151CRUN, FRONT DOOR GLASS, LH
68610BCHECK ASSY, FRONT DOOR, RH
68620CHECK ASSY, FRONT DOOR, LH
69911ACHANNEL, FRONT DOOR GLASS, NO.1
69975EFILLER, FRONT DOOR GLASS CHANNEL, NO.1
75921CTAPE, BLACK OUT, NO.1 RH
75922MTAPE, BLACK OUT, NO.1 LH
75923BTAPE, BLACK OUT, NO.2 RH
75924BTAPE, BLACK OUT, NO.2 LH
9010908295
main90109-08295
9033325001
main90333-25001
9046704034
main90467-04034
9095001620
main90950-01620
9095006105
main90950-06105
9155380620
main91553-80620
91611B0610
main91611-B0610
9167380616
main91673-80616
34 parts on this diagram · 2 diagrams in section