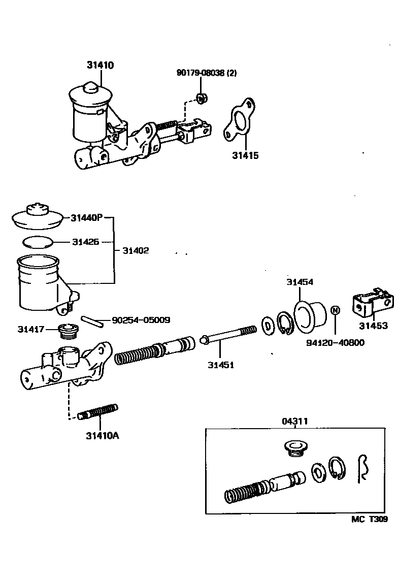
CLUTCH MASTER CYLINDER

04311CYLINDER KIT, CLUTCH MASTER
31402RESERVOIR SUB-ASSY, CLUTCH MASTER CYLINDER
31410ABOLT(FOR CLUTCH MASTER CYLINDER SETTING)
31415GASKET, CLUTCH MASTER CYLINDER
31417GROMMET, CLUTCH RESERVOIR
31426FLOAT, CLUTCH MASTER CYLINDER RESERVOIR
31440PCAP ASSY, CLUTCH MASTER CYLINDER RESERVOIR FILLER
31451ROD, CLUTCH MASTER CYLINDER PUSH
31453CLEVIS, CLUTCH MASTER CYLINDER PUSH ROD
31454BOOT, CLUTCH MASTER CYLINDER
9017908038
main90179-08038
9025405009
main90254-05009
9412040800
main94120-40800
14 parts on this diagram · 1 diagram in section