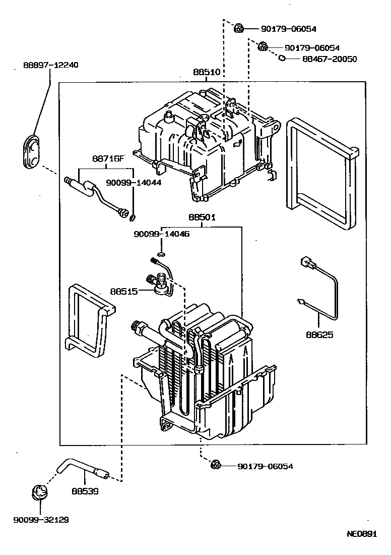
HEATING & AIR CONDITIONING - COOLER UNIT

88501EVAPORATOR SUB-ASSY, COOLER, NO.1
88510UNIT ASSY, COOLER
88515VALVE, COOLER EXPANSION
88539HOSE, COOLER UNIT DRAIN, NO.1
88625THERMISTOR, COOLER, NO.1
88716FPIPE, COOLER REFRIGERANT LIQUID, F
8846720050CUSHION, COOLER CONDENSER, NO.1
main88467-20050
8889712240VALVE, COOLER MAGNET
main88897-12240
9009914044
main90099-14044
9009914046
main90099-14046
9009932129
main90099-32129
9017906054
12 parts on this diagram · 2 diagrams in section