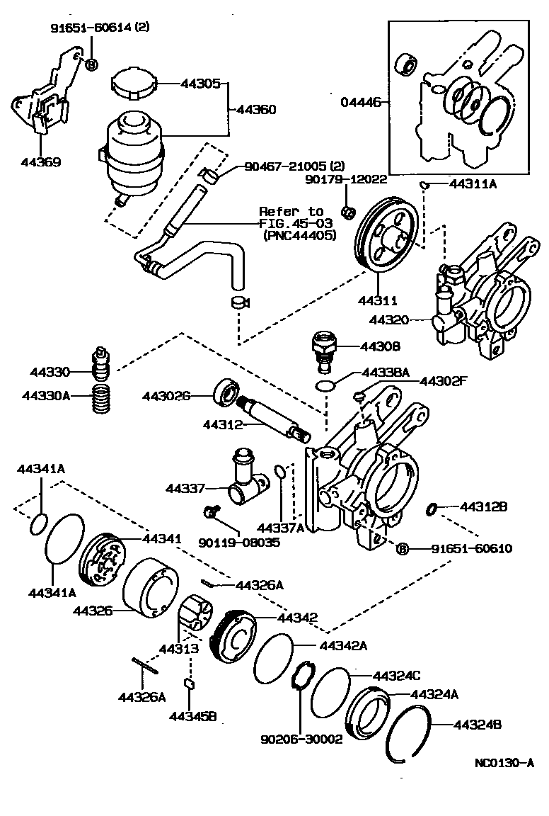
VANE PUMP & RESERVOIR (POWER STEERING)

44302FSEAT, UNION(FOR VANE PUMP HOUSING)
44302GSEAL, OIL, NO.2(FOR VANE PUMP HOUSING)
44305CAP SUB-ASSY, VANE PUMP OIL RESERVOIR
sub44305-22040
sub44305-22030
sub44305-22050
sub44305-22060
sub44305-22060
44311PULLEY, VANE PUMP
44311AKEY, VANE PUMP PULLEY
44312SHAFT, VANE PUMP
44312BRING, SNAP, NO.1(FOR VANE PUMP SHAFT)
44313ROTOR, VANE PUMP
sub44313-22040
sub44313-22050
sub44313-22060
sub44313-22070
sub44313-22080
main44313-22060iCE96,EE96,98;AE9#,CE90,95,97,EE90,97..FXG,FXGT,FXGTV,FXL,FXV,FXVS,FXZS,G,GT,L,LT,SE,TX,XE198804-199205
44320PUMP ASSY, VANE
sub44320-12052
sub44320-12053
sub44320-12141
sub44320-12142
sub44320-12151
sub44320-12152
sub44320-12201
sub44320-12203
sub44320-12241
sub44320-12212
44324AHOUSING, PUMP, REAR
44324BRING, HOLE SNAP(FOR PUMP HOUSING REAR)
44324CRING, O(FOR PUMP HOUSING REAR)
44326RING, CAM(FOR VANE PUMP)
44326APIN, STRAIGHT(FOR VANE PUMP CAM RING)
44330VALVE ASSY, FLOW CONTROL
sub44330-12071
sub44330-12081
sub44330-12091
sub44330-12101
sub44330-12111
sub44330-12121
sub44330-12131
sub44330-32670
sub44330-12141
sub44330-32680
sub44330-12151
sub44330-32690
sub44330-12161
sub44330-32700
sub44330-12171
sub44330-32710
sub44330-12181
sub44330-32720
sub44330-12311
sub44330-12321
sub44330-12331
sub44330-12341
sub44330-12351
sub44330-12361
sub44330-20010
sub44330-20020
sub44330-20030
sub44330-20040
sub44330-20050
sub44330-20060
sub44330-35191
sub44330-35201
sub44330-35211
sub44330-35221
sub44330-35231
sub44330-35241
44330ASPRING, COMPRESSION(FOR FLOW CONTROL VALVE)
44337UNION, POWER STEERING SUCTION PORT
44337ARING, O(FOR POWER STEERING SUCTION PORT)
sub90301-11016
44338ARING, O(FOR PRESSURE PORT UNION)
sub90301-19013
44342ARING, O(FOR VANE PUMP SIDE PLATE REAR)
44345BPLATE, VANE PUMP
44369BRACKET, OIL RESERVOIR, NO.1
4503
9011908035
main90119-08035
9017912022
main90179-12022
9020630002
main90206-30002
9046721005
main90467-21005
9165160610
main91651-60610
9165160614
main91651-60614
35 parts on this diagram · 5 diagrams in section