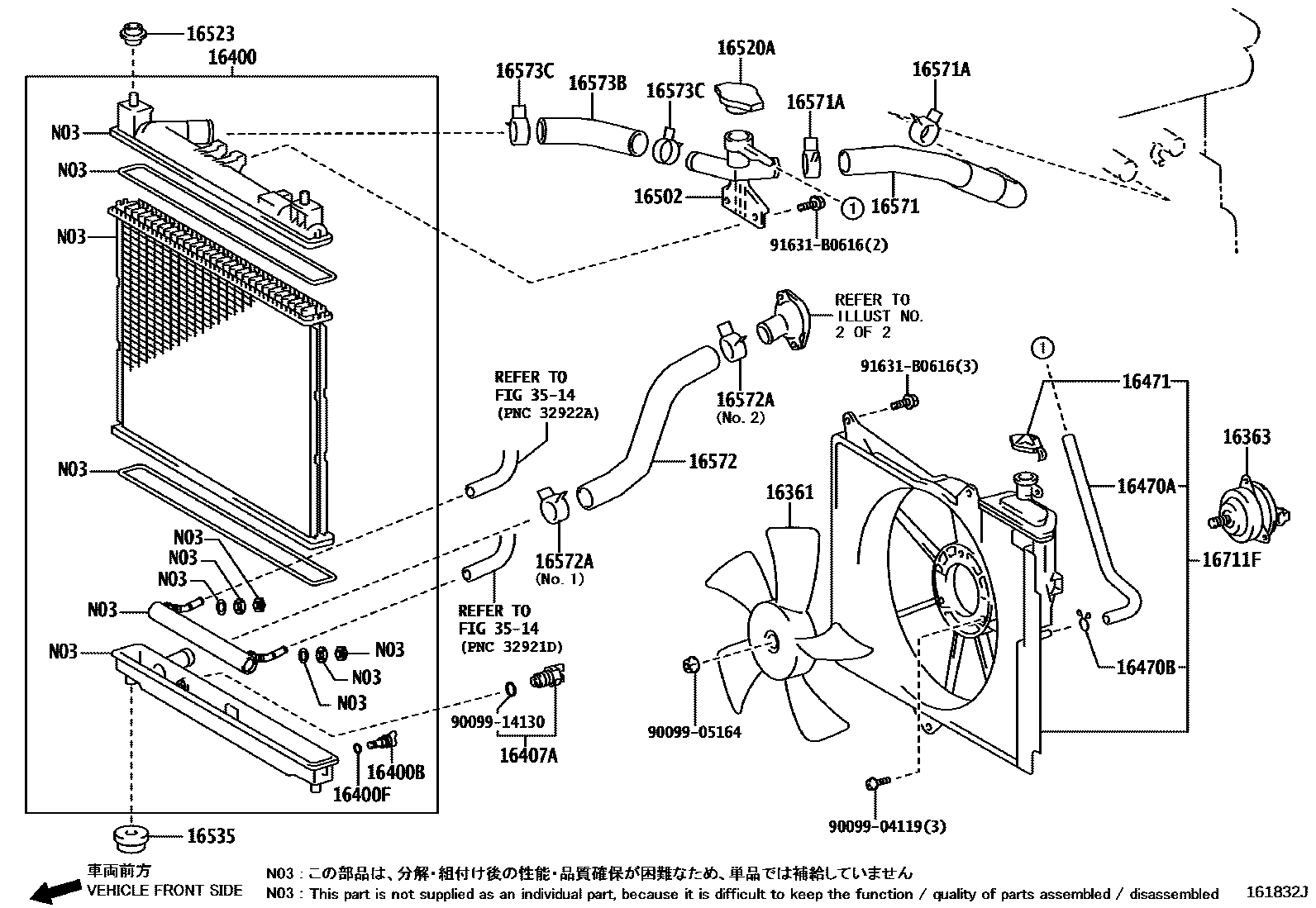
RADIATOR & WATER OUTLET

16361FAN
16400BPLUG, RADIATOR DRAIN COCK
16400FPACKING(FOR RADIATOR DRAIN COCK)
16407ACOCK SUB-ASSY, RADIATOR DRAIN
16470AHOSE OR PIPE(FOR RADIATOR RESERVE TANK)
16470BCLAMP OR CLIP(FOR RADIATOR RESERVE TANK HOSE)
16471CAP SUB-ASSY, RESERVE TANK
16502FILLER SUB-ASSY, WATER
16523CUSHION, SUB-RADIATOR SUPPORT
16535SUPPORT, RADIATOR, LOWER
16571HOSE, RADIATOR, INLET
16571ACLAMP OR CLIP, HOSE(FOR RADIATOR INLET)
16572HOSE, RADIATOR, OUTLET
16572ACLAMP OR CLIP, HOSE(FOR RADIATOR OUTLET NO.1)
16573BHOSE, RADIATOR, NO.3
16573CCLAMP OR CLIP, RADIATOR HOSE, NO.3
16711FSHROUD, FAN(W/RADIATOR RESERVE TANK)
3514
9009904119
main90099-04119
9009905164
main90099-05164
9009914130
main90099-14130
91631B0616
main91631-B0616
25 parts on this diagram · 3 diagrams in section