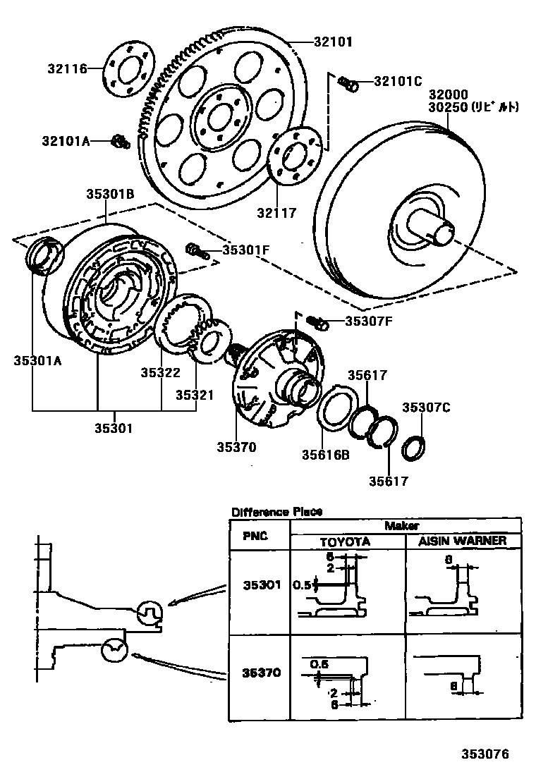
TORQUE CONVERTER, FRONT OIL PUMP & CHAIN (ATM)

30250CONVERTER ASSY, TORQUE, REBUILT
32000CONVERTER ASSY, TORQUE
32101ABOLT(FOR DRIVE PLATE & TORQUE CONVERTER SETTING)
32101CBOLT, HEXAGON(FOR DRIVE PLATE SETTING)
32116SPACER, DRIVE PLATE, FRONT
32117SPACER, DRIVE PLATE, REAR
35301BODY SUB-ASSY, FRONT OIL PUMP
35301ASEAL, OIL (FOR FRONT OIL PUMP)
35301BRING, O (FOR FRONT OIL PUMP BODY)
35301FBOLT (FOR FRONT OIL PUMP SETTING)
35307CRACE, THRUST BEARING (FOR STATOR SHAFT)
35307FBOLT (FOR STATOR SHAFT)
35370SHAFT ASSY, STATOR
35616BWASHER, CLUTCH DRUM THRUST (FOR STATOR SHAFT)
35617RING, CLUTCH DRUM OIL SEAL
18 parts on this diagram · 1 diagram in section