E
EPC Data

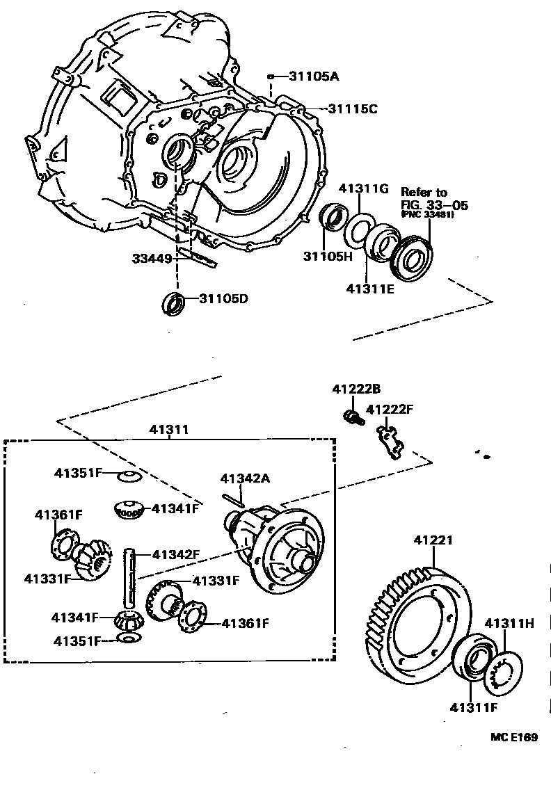
FRONT AXLE HOUSING & DIFFERENTIAL

Parts diagram
31105APLUG, TIGHT(FOR FRONT TRANSAXLE CASE)
main90331-08002i198805-199009
31105DSEAL, OIL, NO.1(FOR FRONT TRANSAXLE CASE)
main90311-25011i198805-199009
main90311-25016i198805-199008
31105HSEAL, OIL, NO.2(FOR TRANSAXLE CASE)
main90311-34007i199008-199009
31115CCASE, FRONT TRANSAXLE(MTM)
main31115-12040i198805-199009
main31115-12060i198805-199009
3305
33449MAGNET, TRANSMISSION
main33449-12010i198805-199005
main33449-12020i199005-199009
41221GEAR, FRONT DIFFERENTIAL RING
main41221-10181i198805-199009
main41221-10191i198805-199009
main41221-10201i198805-199009
main41221-10221i198805-199009
main41221-12160i198805-199009
main41221-12190i198805-199009
main41221-12210i198805-199009
main41221-16090i198805-199009
main41221-20230i198805-199009
41222BBOLT (FOR FRONT DIFFERENTIAL RING GEAR SET)
main90101-11353×8i198805-199009
main90105-12100×6i198805-199009
41222FPLATE, FORNT DIFFERENTIAL RING GEAR SET BOLT LOCK
main41222-12040×4i198805-199009
main41222-12050×4i198805-199009
41311CASE, FRONT DIFFERENTIAL
main41301-10060i198805-199009
main41301-12040i198805-199009
main41301-12050i198805-198902
main41301-12051i198902-199009
main41301-17020i198805-198902
main41301-17021i198902-199009
41311EBEARING, TAPERED ROLLER (FOR FRONT DIFFERENTIAL CASE FRONT)
main90366-38004i198805-199009
main90368-38006i198805-199009
41311FBEARING, TAPERED ROLLER (FOR FRONT DIFFERENTIAL CASE REAR)
main90368-38006i198805-199009
main90368-38010i198805-199009
41311GWASHER, PLATE (FOR FRONT DIFFERENTIAL CASE FRONT)
main90201-41002i198805-199009
main90201-41003i198805-199009
main90201-41004i198805-199009
main90201-41005i198805-199009
main90201-41006i198805-199009
main90201-41007i198805-199009
main90201-41008i198805-199009
main90201-41009i198805-199009
main90201-41010i198805-199009
main90201-41011i198805-199009
main90201-41012i198805-199009
main90201-41013i198805-199009
main90201-41014i198805-199009
main90201-41015i198805-199009
main90201-41016i198805-199009
main90201-41017i198805-199009
main90201-41018i198805-199009
main90201-41019i198805-199009
main90201-41020i198805-199009
main90201-41021i198805-199009
main90201-41022i198805-199009
main90201-41023i198805-199009
main90201-41045i198805-199009
41311HWASHER, PLATE (FOR FRONT DIFFERENTIAL CASE REAR)
main90201-41012i198805-199009
main90201-41024i198805-199009
main90201-41025i198805-199009
main90201-41026i198805-199009
main90201-41027i198805-199009
main90201-41028i198805-199009
main90201-41029i198805-199009
main90201-41030i198805-199009
main90201-41031i198805-199009
main90201-41032i198805-199009
main90201-41033i198805-199009
main90201-41034i198805-199009
main90201-41035i198805-199009
main90201-41036i198805-199009
main90201-41039i198805-199009
main90201-41040i198805-199009
main90201-41041i198805-199009
main90201-41042i198805-199009
main90201-41043i198805-199009
main90201-41044i198805-199009
main90201-41046i198805-199009
main90201-41047i198805-199009
main90201-41048i198805-199009
main90201-41049i198805-199009
main90201-41050i198805-199009
main90201-41051i198805-199009
main90201-41052i198805-199009
main90201-41053i198805-199009
main90201-41054i198805-199009
main90201-41055i198805-199009
main90201-41056i198805-199009
main90201-41057i198805-199009
main90201-41058i198805-199009
main90201-41059i198805-199009
main90201-41060i198805-199009
main90201-41061i198805-199009
main90201-41062i198805-199009
main90201-41063i198805-199009
main90201-41064i198805-199009
41331FGEAR, FRONT DIFFERENTIAL SIDE
main41331-10042×2i198805-199009
main41331-12011×2i198805-199009
41341FPINION, FRONT DIFFERENTIAL
main41341-10030×2i198805-199009
main41341-12030×2i198805-199009
41342APIN, STRAIGHT (FOR FRONT DIFFERENTIAL PINION SHAFT)
main90250-04053i198805-199009
main90250-06058i198805-199009
41342FSHAFT, FRONT DIFFERENTIAL PINION, NO.1
main41342-10040i198805-199009
main41342-12020i198805-198902
main41342-12110i198902-198903
41351FWASHER, FRONT DIFFERENTIAL PINION THRUST
main41351-10030×2i198805-199009
main41351-12020×2i198805-199009
41361FWASHER, FRONT DIFFERENTIAL SIDE GEAR THRUST, NO.1
main41361-10070×2i198805-199009
main41361-10080×2i198805-199009
main41361-10090×2i198805-199009
main41361-10100×2i198805-199009
main41361-10110×2i198805-199009
main41361-10120×2i198805-199009
main41361-17010×2i198805-199009
main41361-17020×2i198805-199009
main41361-17030×2i198805-199009
main41361-17040×2i198805-199009
main41361-17050×2i198805-199009
main41361-17060×2i198805-199009
main41361-22020×2i198805-199009
main41361-22030×2i198805-199009
main41361-22040×2i198805-199009
main41361-22140×2i198805-199009
main41361-22150×2i198805-199009
main41361-22160×2i198805-199009

20 parts on this diagram · 4 diagrams in section

FRONT AXLE HOUSING & DIFFERENTIAL — Toyota Parts Diagram with OEM Numbers & Prices | EPC Data