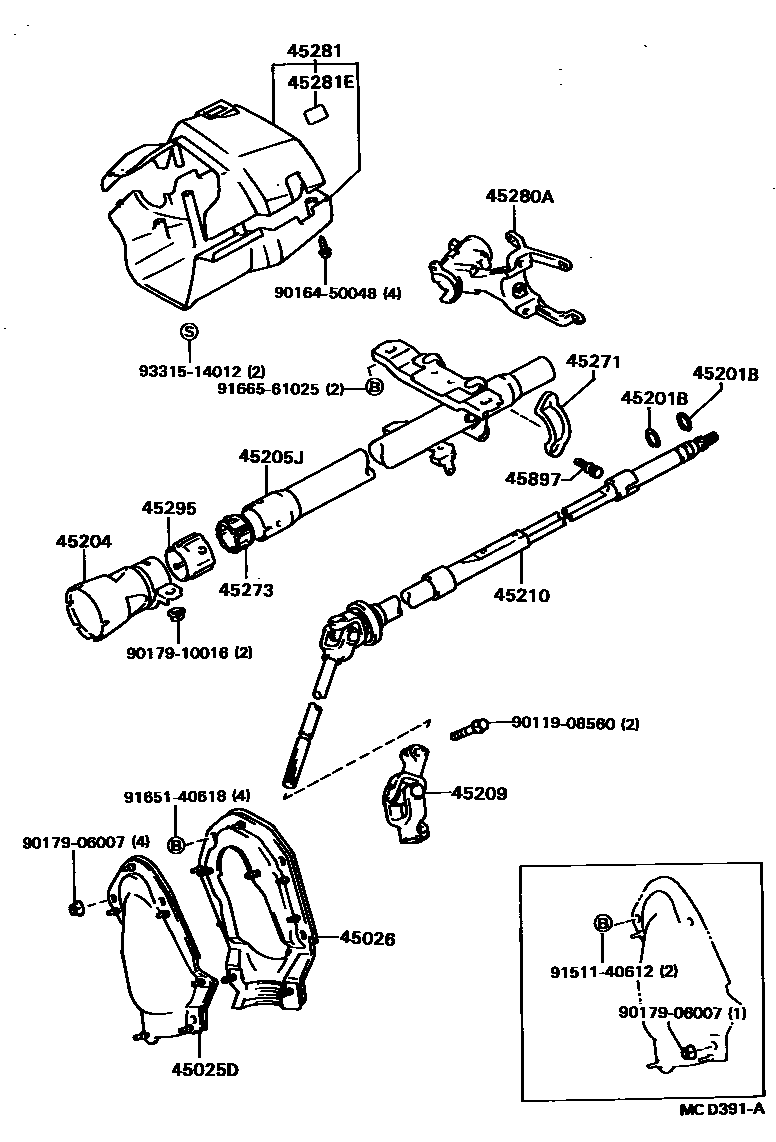
STEERING COLUMN & SHAFT

45025DCOVER SUB-ASSY, STEERING COLUMN HOLE, NO.1
W/POWER STEERING
W/POWER STEERING
45026COVER SUB-ASSY, STEERING COLUMN HOLE, NO.2
W/POWER STEERING
45201BRING, SHAFT SNAP(FOR STEERING MAIN SHAFT)
45204TUBE ASSY, STEERING COLUMN, LOWER
W/*TIS
W/*TIS & POWER STEERING
45205JTUBE SUB-ASSY, STEERING COLUMN, UPPER
sub45205-16051
45209YOKE SUB-ASSY, STEERING SLIDING
W/POWER STEERING
45271CLAMP, STEERING COLUMN, UPPER
45273BUSH, STEERING MAIN SHAFT
45280ABRACKET ASSY, STEERING COLUMN, UPPER
45281HOUSING, STEERING COLUMN
BLACK,NEW BLACK,TRIM2#
BLUE,BLUE,TRIM8#
BEIGE,DARK BEIGE,TRIM4#
BLACK,W/TILT STEERING,NEW BLACK,TRIM2#
BLUE,W/TILT STEERING,BLUE,TRIM8#
BEIGE,W/TILT STEERING,DARK BEIGE,TRIM4#
45281EPLATE, SAFETY CAUTION
45295BUSH, STEERING COLUMN TUBE
45897BOLT, STEERING LOCK SET
9011908560
main90119-08560
9016450048
main90164-50048
9017906007
main90179-06007
9017910016
main90179-10016
9151140612
main91511-40612
9165140618
main91651-40618
9166561025
main91665-61025
9331514012
main93315-14012
22 parts on this diagram · 2 diagrams in section