HEATING & AIR CONDITIONING - COOLER PIPING

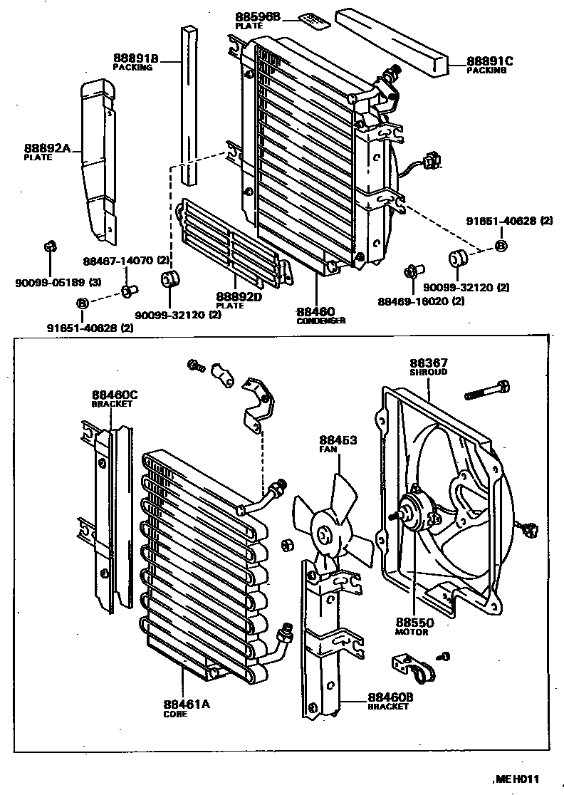
88460BBRACKET, COOLER CONDENSER, NO.1
88460CBRACKET, COOLER CONDENSER, NO.2
88461ACORE, COOLER CONDENSER
88550MOTOR ASSY, BLOWER (FOR CONDENSER)
88596BPLATE, CAUTION, NO.1
88891BPACKING B (FOR COOLER)
88891CPACKING C (FOR COOLER)
88892ABRACKET, COOLER EVAPORATOR MOUNTING
88892DPLATE, CONDENSER, NO.2
8846714070CUSHION, COOLER CONDENSER, NO.1
main88467-14070
8846916020SWITCH, PRESSURE CONTROL
main88469-16020
9009905189
main90099-05189
9009932120
main90099-32120
9165140628
main91651-40628
17 parts on this diagram · 2 diagrams in section