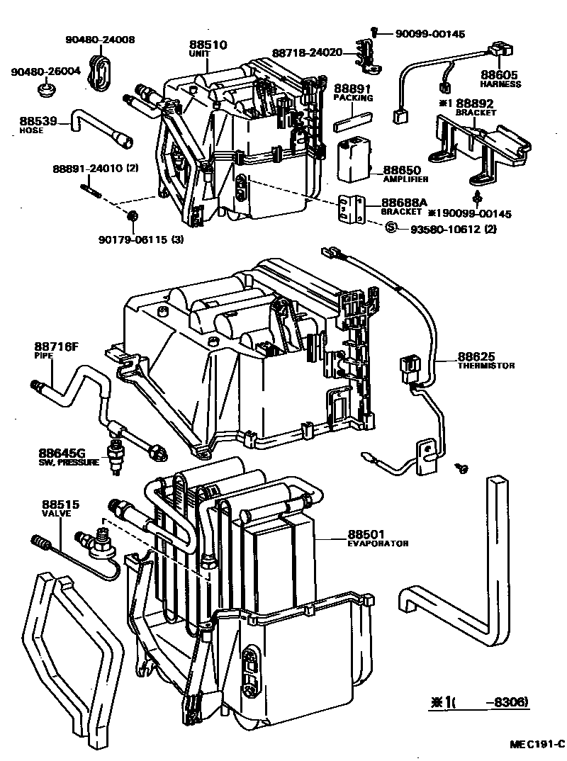
HEATING & AIR CONDITIONING - COOLER UNIT

88539HOSE, COOLER UNIT DRAIN, NO.1
88605HARNESS SUB-ASSY, COOLER WIRING, NO.1
W/*AAC
88650AMPLIFIER ASSY, COOLER STABILIZER
NO.1
NO.2
NO.1
88688ABRACKET, COOLER STABILIZER AMPLIFIER
W/*AAC,NO.2
NO.1
88716FPIPE, COOLER REFRIGERANT LIQUID, F
88891PACKING (FOR COOLER)
88892BRACKET, COOLER EVAPORATOR MOUNTING
8871824020PIPE, COOLER REFRIGERANT SUCTION, NO.2
main88718-24020
8889124010PACKING (FOR COOLER)
main88891-24010
9009900145
main90099-00145
9017906115
main90179-06115
9048024008
main90480-24008
9048026004
main90480-26004
9358010612
main93580-10612
19 parts on this diagram · 2 diagrams in section