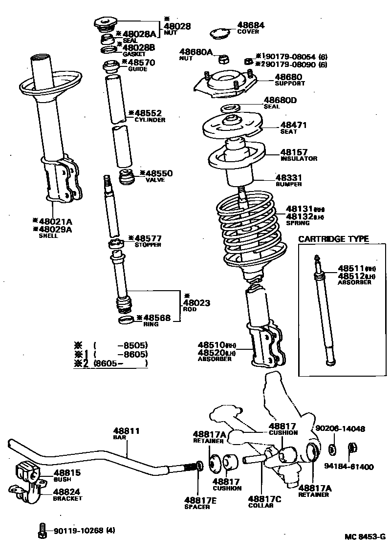
FRONT SPRING & SHOCK ABSORBER

48021ASHELL SUB-ASSY, FRONT SHOCK ABSORBER, RH
48023ROD SUB-ASSY, SHOCK ABSORBER PISTON (FOR FRONT)
48028NUT SUB-ASSY, SHOCK ABSORBER RING
sub48028-17010
48028ASEAL, OIL(FOR SHOCK ABSORBER RING NUT)
48029ASHELL SUB-ASSY, FRONT SHOCK ABSORBER, LH
48157INSULATOR, FRONT COIL SPRING, UPPER
48331BUMPER, FRONT SPRING, NO.1
48471SEAT, FRONT SPRING, UPPER
48510ABSORBER ASSY, SHOCK, FRONT RH
sub48510-16150
sub48510-16151
sub48510-16250
sub48510-16161
sub48510-16260
sub48510-16690
sub48510-16250
48511ABSORBER, SHOCK FRONT, RH(FOR CARTRIDGE TYPE)
sub48511-16150
48512ABSORBER, SHOCK FRONT, LH(FOR CARTRIDGE TYPE)
sub48511-16150
48520ABSORBER ASSY, SHOCK, FRONT LH
sub48510-16150
sub48510-16151
sub48510-16250
sub48510-16161
sub48510-16260
sub48510-16690
sub48510-16250
48550VALVE ASSY, SHOCK ABSORBER BASE
48552CYLINDER, SHOCK ABSORBER(FOR FRONT)
48570GUIDE ASSY, SHOCK ABSORBER ROD
48577STOPPER, SHOCK ABSORBER REBOUND
48680SUPPORT ASSY, FRONT SUSPENSION
48680ANUT(FOR FRONT SUPPORT TO FRONT SHOCK ABSORBER)
48680DSEAL, DUST(FOR FRONT SUSPENSION SUPPORT)
48684COVER, BEARING DUST
48811BAR, STABILIZER, FRONT
48815BUSH, FRONT STABILIZER BAR, NO.1
48817CUSHION, FRONT STABILIZER
FR
RR
48817ARETAINER, CUSHION, NO.1(FOR FRONT STABILIZER BAR)
48817CCOLLAR(FOR STABILIZER BAR)
48817ESPACER(FOR STABILIZER BAR)
48824BRACKET, STABILIZER, FRONT
9011910268
main90119-10268
9017908054
main90179-08054
9017908090
main90179-08090
9020614048
main90206-14048
9418461400
main94184-61400
36 parts on this diagram · 2 diagrams in section