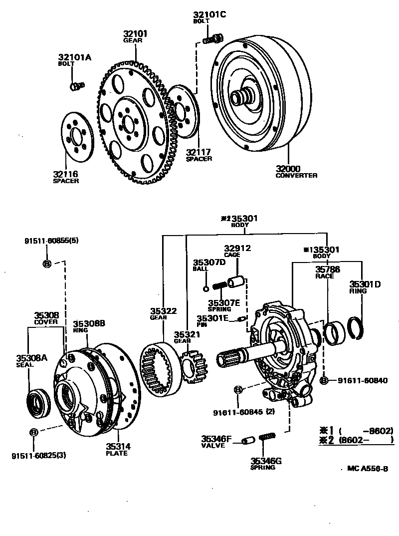
TORQUE CONVERTER, FRONT OIL PUMP & CHAIN (ATM)

32000CONVERTER ASSY, TORQUE
32101GEAR SUB-ASSY, DRIVE PLATE & RING
32101CBOLT, HEXAGON(FOR DRIVE PLATE SETTING)
32116SPACER, DRIVE PLATE, FRONT
32117SPACER, DRIVE PLATE, REAR
32912CAGE, CHECK VALVE
35301DRING, SHAFT SNAP (FOR FRONT OIL PUMP)
35301EPIN, STRAIGHT (FOR FRONT OIL PUMP)
35307DBALL, REVERSE SHIFT RESTRICT
35307ESPRING, COMPRESSION (FOR REVERSE SHIFT RESTRICT)
35308COVER SUB-ASSY, FRONT OIL PUMP
35308ASEAL, OIL (FOR FRONT OIL PUMP COVER)
35308BRING, TRANSMISSION CASE SEAL
35314PLATE, FRONT OIL PUMP
35321GEAR, FRONT OIL PUMP DRIVE
T=15.235-15.249
T=15.250-15.271
T=15.272-15.286
35322GEAR, FRONT OIL PUMP DRIVEN
T=15.235-15.249
T=15.250-15.271
T=15.272-15.286
35346FVALVE, PRIMING(FOR FRONT OIL PUMP)
35346GSPRING, COMPRESSION(FOR PRIMING VALVE)
35786RACE, DRIVE SPROCKET
9151160825
main91511-60825
9151160855
main91511-60855
9161160840
main91611-60840
9161160845
main91611-60845
25 parts on this diagram · 2 diagrams in section