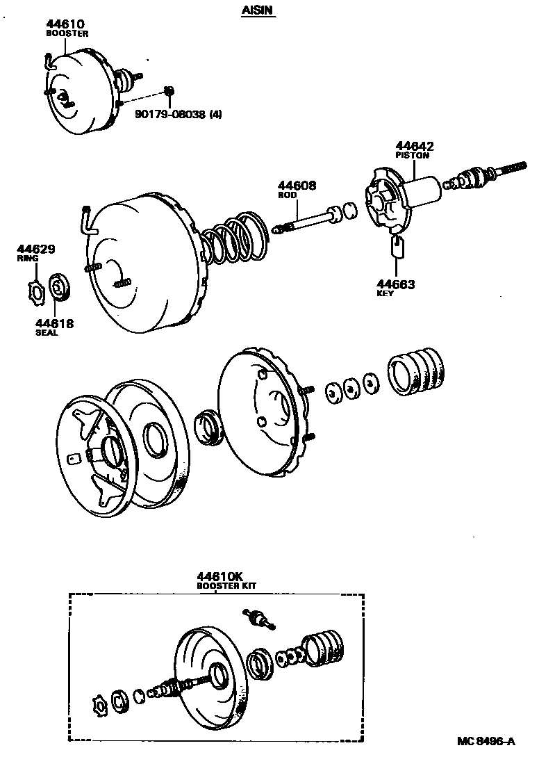
BRAKE BOOSTER & VACUUM TUBE

44608PUSH ROD SUB-ASSY, BOOSTER
AISIN
AISIN
JKC
44610KBOOSTER KIT, BRAKE
AISIN
AISIN
JKC
44618SEAL, BOOSTER BODY
44629RING, CIRCULAR INTERNAL
44642PISTON, BRAKE BOOSTER
44663KEY, VALVE STOPPER
9017908038
main90179-08038
8 parts on this diagram · 3 diagrams in section