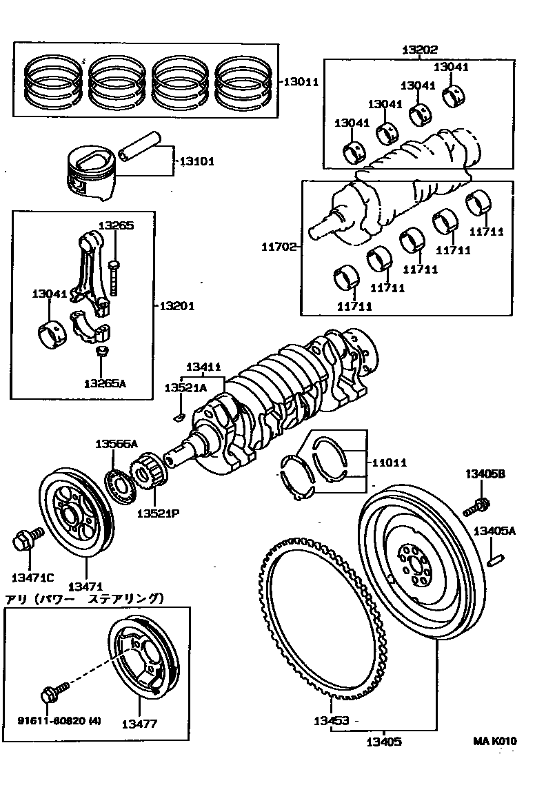
CRANKSHAFT & PISTON

11011WASHER SET, CRANKSHAFT THRUST
11702BEARING SET, CRANKSHAFT
11711BEARING, CRANKSHAFT
MARK 1
MARK 2
MARK 3
MARK 4
MARK 5
MARK 1
MARK 2
MARK 3
13011RING SET, PISTON
13041BEARING, CONNECTING ROD
MARK 1
MARK 2
MARK 3
MARK 1
MARK 2
MARK 3
MARK 1
MARK 2
MARK 3
13101PISTON SUB-ASSY, W/PIN
MARK1
MARK2
13201ROD SUB-ASSY, CONNECTING
13265ANUT, HEXAGON(FOR CONNECTING ROD BOLT)
13405FLYWHEEL SUB-ASSY
13405APIN, STRAIGHT(FOR FLYWHEEL)
13405BBOLT, FLYWHEEL SETTING
13411CRANKSHAFT
13471PULLEY, CRANKSHAFT
13471CBOLT(FOR CRANKSHAFT PULLEY SET)
13477PULLEY, CRANKSHAFT, NO.2
13521AKEY(FOR CRANKSHAFT TIMING GEAR)
13521PPULLEY, CRANKSHAFT TIMING
9161160820
main91611-60820
22 parts on this diagram · 2 diagrams in section