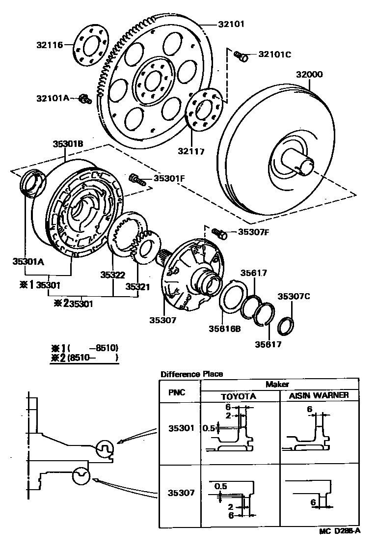
TORQUE CONVERTER, FRONT OIL PUMP & CHAIN (ATM)

32000CONVERTER ASSY, TORQUE
32101ABOLT(FOR DRIVE PLATE & TORQUE CONVERTER SETTING)
32101CBOLT, HEXAGON(FOR DRIVE PLATE SETTING)
32116SPACER, DRIVE PLATE, FRONT
32117SPACER, DRIVE PLATE, REAR
35301BODY SUB-ASSY, FRONT OIL PUMP
AISIN-WARNER
AISIN-WARNER
TOYOTA
35301ASEAL, OIL (FOR FRONT OIL PUMP)
35301BRING, O (FOR FRONT OIL PUMP BODY)
35301FBOLT (FOR FRONT OIL PUMP SETTING)
35307SHAFT SUB-ASSY, STATOR
AISIN-WARNER
TOYOTA
35307CRACE, THRUST BEARING (FOR STATOR SHAFT)
35307FBOLT (FOR STATOR SHAFT)
35616BWASHER, CLUTCH DRUM THRUST (FOR STATOR SHAFT)
35617RING, CLUTCH DRUM OIL SEAL
17 parts on this diagram · 1 diagram in section