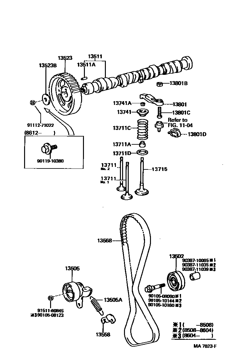
CAMSHAFT & VALVE

1104
13502IDLER SUB-ASSY, TIMING BELT, NO.2
13505IDLER SUB-ASSY, TIMING BELT, NO.1
13505ASPRING, TENSION(FOR IDLER)
13511CAMSHAFT
13511APIN, STRAIGHT(FOR CAMSHAFT KNOCK)
13523GEAR OR SPROCKET, CAMSHAFT TIMING
13523BWASHER, PLATE(FOR TIMING GEAR)
13558BRACKET, SPRING(FOR IDLER)
13568BELT, TIMING
13711VALVE, INTAKE
NO.1
NO.2
NO.2
13711ASEAL OR RING, O(FOR VALVE STEM OIL)
13711CSPRING, COMPRESSION(FOR OUTER)
13711DWASHER, PLATE(FOR VALVE SPRING SEAT)
13715VALVE, EXHAUST
13741RETAINER, VALVE SPRING
13741ALOCK, VALVE SPRING RETAINER
13801ARM SUB-ASSY, VALVE ROCKER, NO.1
13801BNUT, HEXAGON(FOR VALVE ADJUSTING)
13801CSCREW, VALVE ADJUSTING
13801DSPRING, COMPRESSION(FOR ROCKER ARM)
9010508090
9010508123
9010510144
9010510160
9011910380
9038710065
9038711035
9038711039
9111271022
9151160845
31 parts on this diagram · 2 diagrams in section