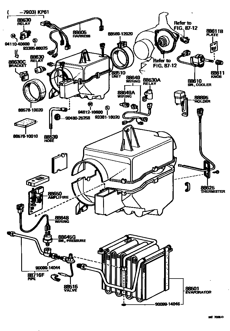
HEATING & AIR CONDITIONING - COOLER UNIT

8712
88501EVAPORATOR SUB-ASSY, COOLER, NO.1
OKINAWA SPEC
88510UNIT ASSY, COOLER
88539HOSE, COOLER UNIT DRAIN, NO.1
88605HARNESS SUB-ASSY, COOLER WIRING, NO.1
COOLER SWITCH MARK=ECONO A/C
COOLER SWITCH MARK=ECONO A/C
COOLER SWITCH MARK=ECONO A/C
COOLER SWITCH MARK=A/C
COOLER SWITCH MARK=A/C
COOLER SWITCH MARK=A/C
88610SWITCH ASSY, COOLER CONTROL
88611KNOB, COOLER CONTROL SWITCH
88611BPLATE, COOLER CONTROL SWITCH
88630CBRACKET, COOLER RELAY
88648WIRING, COOLER, NO.1
88649WIRING, COOLER, NO.2
88649AWIRING, COOLER, NO.3
88716FPIPE, COOLER REFRIGERANT LIQUID, F
88895HOLDER, FUSE
8856912020CLAMP (FOR COOLER RELAY)
main88569-12020
8857810010PAKING, COOLER AIR DUCT
main88578-10010
8857810020PAKING, COOLER AIR DUCT
main88578-10020
9009914044
main90099-14044
9009914046
main90099-14046
9048025258
main90480-25258
9338116020
main93381-16020
9338586025
main93385-86025
9411040600
main94110-40600
9461210600
main94612-10600
30 parts on this diagram · 2 diagrams in section