COWL VENTILATOR

5501
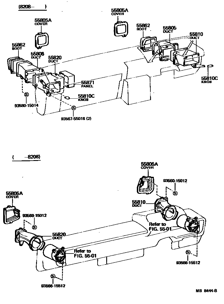
55805DUCT SUB-ASSY, SIDE VENTILATOR, NO.2 RH
55805ACOVER, SIDE VENTILATOR
RH
RH
LH
LH
55806DUCT SUB-ASSY, SIDE VENTILATOR, NO.2 LH
55810DUCT ASSY, SIDE VENTILATOR, RH
55810CKNOB SUB-ASSY, CONTROL(FOR VENTILATOR DUCT)
55820DUCT ASSY, SIDE VENTILATOR, LH
55871PANEL, COWL VENTILATOR AIR DUCT
9356015012
main93560-15012
9356615512
main93566-15512
9356755016
main93567-55016
9358015014
main93580-15014
13 parts on this diagram · 1 diagram in section