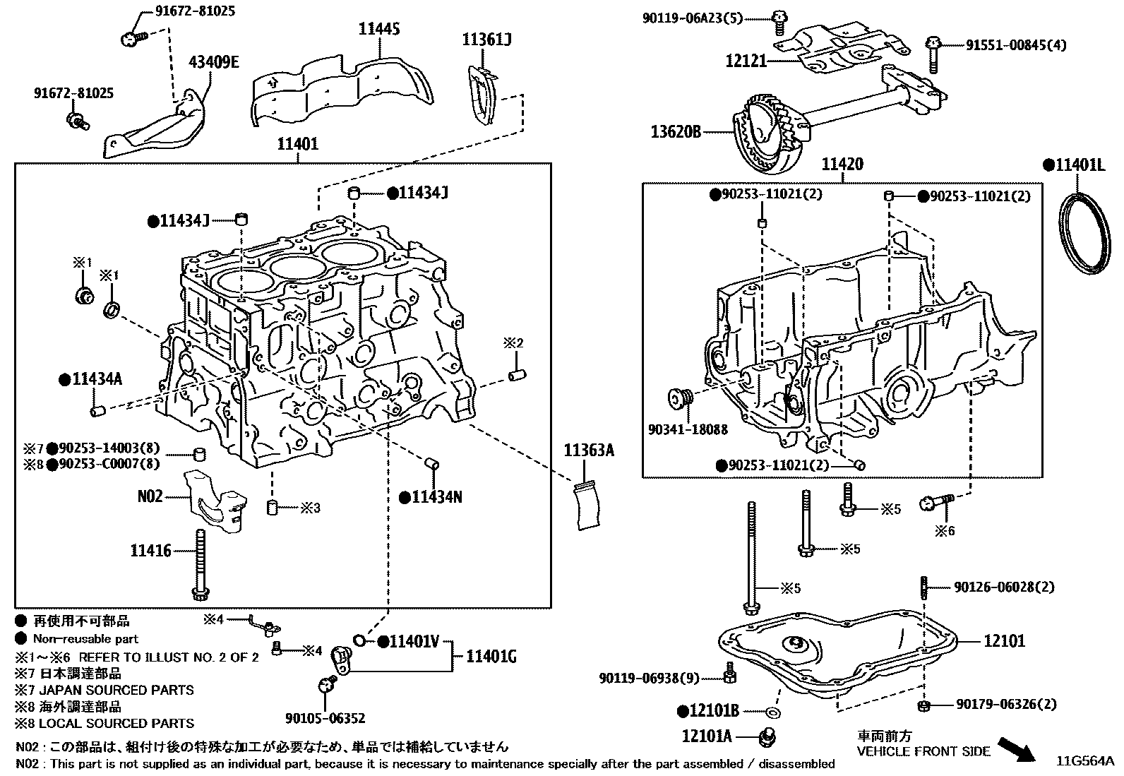
CYLINDER BLOCK

11361JCOVER, FLYWHEEL HOUSING UNDER
11363ACOVER, FLYWHEEL HOUSING SIDE
11401BLOCK SUB-ASSY, CYLINDER
11401GSENSOR, CRANK POSITION
11401LSEAL, ENGINE REAR OIL
11401VO-RING, CRANK POSITION SENSOR
11416BOLT(FOR CRANKSHAFT BEARING CAP SET)
11420CRANKCASE ASSY, STIFFENING
11434APIN, STRAIGHT(FOR TIMING GEAR COVER SET)
11434JPIN, RING (FOR CYLINDER HEAD SET)
11434NPIN, STRAIGHT(FOR WATER INLET HOUSING)
11445SPACER, CYLINDER BLOCK WATER JACKET
12101PAN SUB-ASSY, OIL
12101APLUG(FOR OIL PAN DRAIN)
12101BGASKET(FOR OIL PAN DRAIN PLUG)
12121PLATE, OIL PAN BAFFLE, NO.1
13620BBALANCER ASSY, ENGINE
43409EINSULATOR SUB-ASSY, DRIVE SHAFT HEAT
9010506352
9011906938
9011906A23
9012606028
9017906326
9025311021
9025314003
90253C0007
main90253-C0007
9034118088
9155100845
9167281025
29 parts on this diagram · 4 diagrams in section