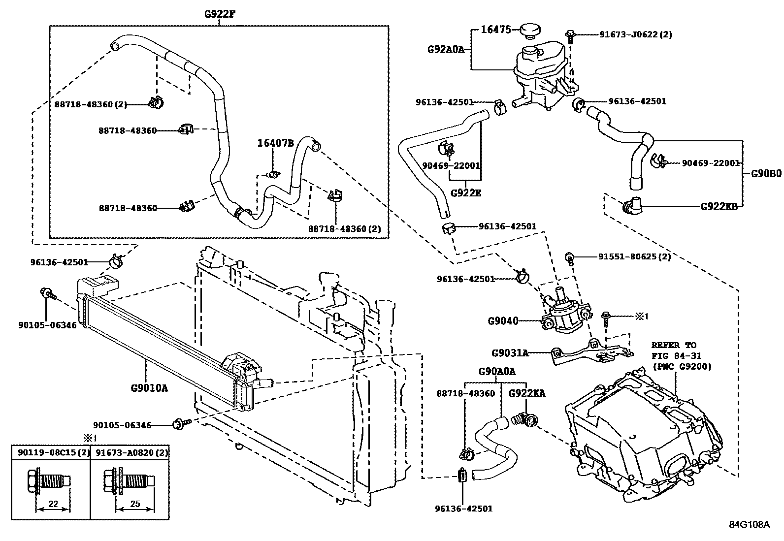
INVERTER COOLING

16407BCOCK SUB-ASSY, RADIATOR DRAIN
8431
G9010ARADIATOR ASSY
G9031ABRACKET SUB-ASSY, HV WATER PUMP
G9040INVERTER WATER PUMP ASSY(W/MOTOR)
G90A0AHOSE ASSY, INVERTER COOLING, NO.1
G90B0HOSE ASSY, INVERTER COOLING, NO.2
G922EHOSE, HYBRID WATER PUMP INLET
G922FHOSE, HYBRID WATER PUMP OUTLET, NO.1
G922KACONNECTOR, HYBRID WATER HOSE, NO.1
G922KBCONNECTOR, HYBRID WATER HOSE, NO.2
G92A0ATANK ASSY, INVERTER RESERVE
8871848360PIPE, COOLER REFRIGERANT SUCTION, NO.2
main88718-48360
9010506346
main90105-06346
9011908C15
main90119-08C15
9046922001
main90469-22001
9155180625
main91551-80625
91673A0820
main91673-A0820
91673J0622
main91673-J0622
9613642501
main96136-42501
21 parts on this diagram · 1 diagram in section