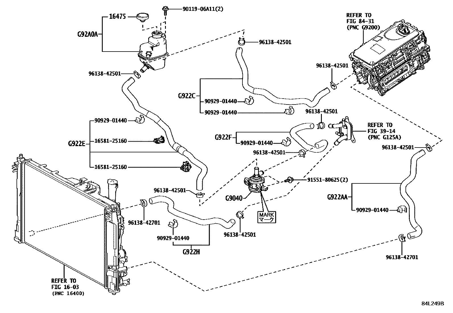
INVERTER COOLING

1603
16475CAP, RESERVE TANK
3914
8431
G922AAHOSE, INVERTER COOLING INLET, NO.1
G922CHOSE, INVERTER COOLING OUTLET, NO.1
G922EHOSE, HYBRID WATER PUMP INLET
G922FHOSE, HYBRID WATER PUMP OUTLET, NO.1
G92A0ATANK ASSY, INVERTER RESERVE
1658125160CLAMP, HOSE(FOR WATER HOSE)
main16581-25160
9011906A11
main90119-06A11
9092901440
main90929-01440
9155180625
main91551-80625
9613842501
main96138-42501
9613842701
main96138-42701
17 parts on this diagram · 2 diagrams in section