TRANSAXLE ASSY(HEV OR BEV OR FCEV)

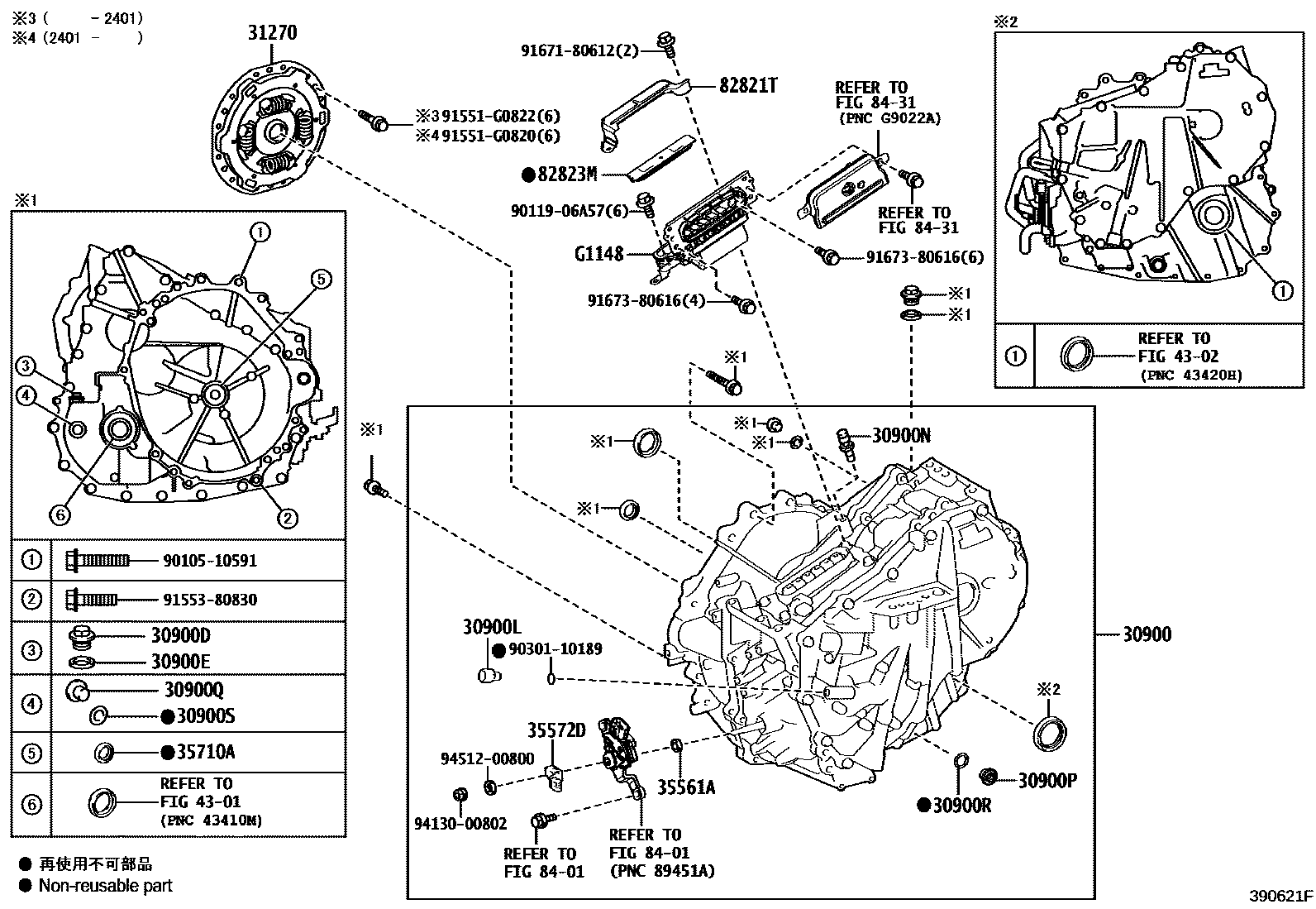
30900TRANSAXLE ASSY, HYBRID VEHICLE
30900DPLUG, W/HEAD STRAIGHT SCREW(FOR TRANSAXLE HOUSING & CASE)
30900EGASKET(FOR TRANSAXLE HOUSING & CASE)
30900LUNION(FOR TRANSAXLE HOUSING)
30900NPLUG, BREATHER(FOR TRANSAXLE)
30900PPLUG, DRAIN(HEV)
30900QPLUG, FILLER(HEV)
30900RGASKET, DRAIN PLUG(HEV)
30900SGASKET, FILLER PLUG(HEV)
35561ASEAL, TYPE T OIL(FOR PARKING LOCK SHAFT)
35572DLEVER, TRANSMISSION CONTROL SHAFT
35710ASEAL, TYPE T OIL(FOR INPUT SHAFT)
4301
4302
82821TCOVER, CONNECTOR
82823MCAP, TERMINAL
8401
8431
G1148CABLE, MOTOR
9010510591
main90105-10591
9011906A57
main90119-06A57
9030110189
main90301-10189
91551G0820
main91551-G0820
91551G0822
main91551-G0822
9155380830
main91553-80830
9167180612
main91671-80612
9167380616
main91673-80616
9413000802
main94130-00802
9451200800
main94512-00800
30 parts on this diagram · 3 diagrams in section