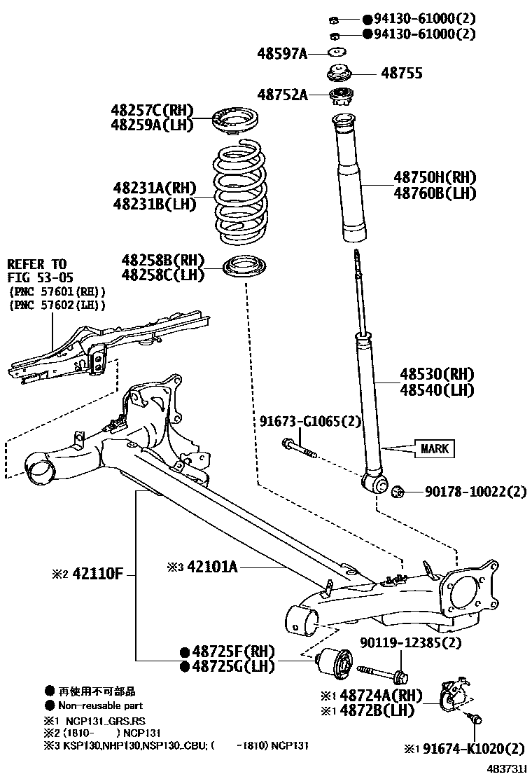
REAR SPRING & SHOCK ABSORBER

42110FBEAM ASSY, REAR AXLE
48231ASPRING, COIL, REAR RH
48231BSPRING, COIL, REAR LH
48257CINSULATOR, REAR COIL SPRING, UPPER RH
48258BINSULATOR, REAR COIL SPRING, LOWER RH
48258CINSULATOR, REAR COIL SPRING, LOWER LH
48259AINSULATOR, REAR COIL SPRING, UPPER LH
48530ABSORBER ASSY, SHOCK, REAR RH
sub48530-52F81
sub48530-52F81
sub48530-52G10
sub48530-52G10
sub48530-52F91
sub48530-52J70
sub48530-52J70
sub48530-52M80
sub48530-52N20
sub48530-WY010
sub48530-WY080
sub48530-WY080
48540ABSORBER ASSY, SHOCK, REAR LH
sub48530-52F81
sub48530-52F81
sub48530-52G10
sub48530-52G10
sub48530-52F91
sub48530-52J70
sub48530-52J70
sub48530-52M80
sub48530-52N20
sub48530-WY010
sub48530-WY080
sub48530-WY080
48597ARETAINER, REAR SHOCK ABSORBER CUSHION
48724ADAMPER, REAR AXLE BEAM DYNAMIC
48725FBUSH, REAR AXLE CARRIER, RH
48725GBUSH, REAR AXLE CARRIER, LH
4872BDAMPER, RR AXLE BEAM DYNAMIC, LH
48750HSUPPORT ASSY, REAR SUSPENSION, RH
48752ASTOPPER, REAR SUSPENSION SUPPORT
48755SUPPORT, REAR SUSPENSION
48760BSUPPORT ASSY REAR SUSPENSION, LH
5305
9011912385
main90119-12385
9017810022
main90178-10022
91673G1065
main91673-G1065
91674K1020
main91674-K1020
9413061000
main94130-61000
25 parts on this diagram · 2 diagrams in section