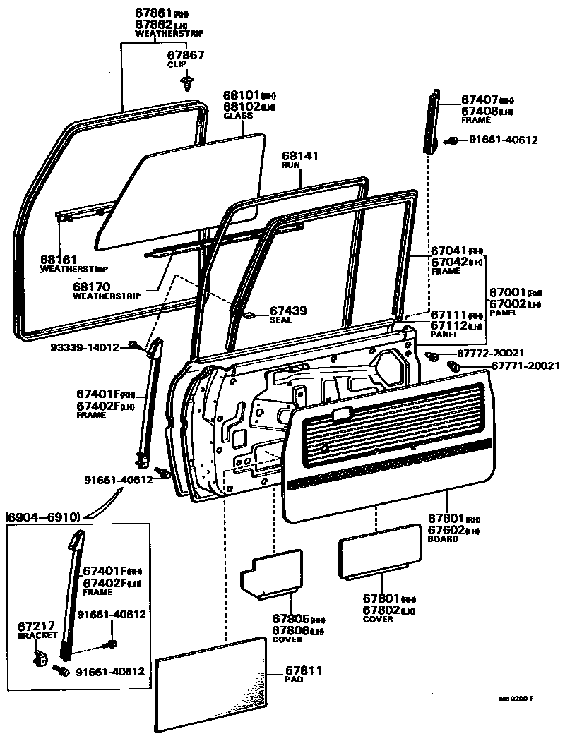
FRONT DOOR PANEL & GLASS

67001PANEL SUB-ASSY, FRONT DOOR, RH
67002PANEL SUB-ASSY, FRONT DOOR, LH
67041FRAME SUB-ASSY, FRONT DOOR WINDOW, RH
67042FRAME SUB-ASSY, FRONT DOOR WINDOW, LH
67111PANEL, FRONT DOOR, OUTER RH
67112PANEL, FRONT DOOR, OUTER LH
67217BRACKET, FRONT DOOR LOWER FRAME SUPPORT
67402FFRAME SUB-ASSY, FRONT DOOR, FRONT LOWER LH
67407FRAME SUB-ASSY, FRONT DOOR, REAR LOWER RH
67408FRAME SUB-ASSY, FRONT DOOR, REAR LOWER LH
67439SEAL, FRONT JOINT PIECE
67601BOARD SUB-ASSY, FRONT DOOR TRIM, RH
BLACK,BLACK,TRIM2#
OLIVE BROWN,BROWN,TRIM4#
BLACK,BLACK,TRIM2#
LIGHT BROWN,BROWN,TRIM4#
BLACK,BLACK
RED,RED/MAROON
BLACK,BLACK
BEIGE,BEIGE
YELLOW,YELLOW
BLACK,BLACK,TRIM2#
OLIVE BROWN,BROWN,TRIM4#
BLACK,BLACK,TRIM2#
OLIVE BROWN,BROWN,TRIM4#
BLACK,BLACK,TRIM2#
BROWN,BROWN,TRIM4#
BLACK,BLACK,TRIM2#
LIGHT BROWN,BROWN,TRIM4#
BLACK,BLACK,TRIM2#
OLIVE BROWN,BROWN,TRIM4#
67602BOARD SUB-ASSY, FRONT DOOR TRIM, LH
BLACK,BLACK,TRIM2#
OLIVE BROWN,BROWN,TRIM4#
BLACK,BLACK,TRIM2#
LIGHT BROWN,BROWN,TRIM4#
BLACK,BLACK
RED,RED/MAROON
BLACK,BLACK
BEIGE,BEIGE
YELLOW,YELLOW
BLACK,BLACK,TRIM2#
OLIVE BROWN,BROWN,TRIM4#
BLACK,BLACK,TRIM2#
OLIVE BROWN,BROWN,TRIM4#
BLACK,BLACK,TRIM2#
BROWN,BROWN,TRIM4#
BLACK,BLACK,TRIM2#
LIGHT BROWN,BROWN,TRIM4#
BLACK,BLACK,TRIM2#
OLIVE BROWN,BROWN,TRIM4#
67801COVER SUB-ASSY, FRONT DOOR HOLE, NO.1 RH
67802COVER SUB-ASSY, FRONT DOOR HOLE, NO.1 LH
67805COVER SUB-ASSY, FRONT DOOR HOLE, NO.2 RH
67806COVER SUB-ASSY, FRONT DOOR HOLE, NO.2 LH
67811PAD, FRONT DOOR SILENCER
67861WEATHERSTRIP, FRONT DOOR, RH
67862WEATHERSTRIP, FRONT DOOR, LH
67867CLIP, DOOR WEATHERSTRIP
68170WEATHERSTRIP ASSY, FRONT DOOR GLASS, INNER
RH
LH
6777120021WEATHERSTRIP, BACK DOOR TRIM, RH
main67771-20021
6777220021WEATHERSTRIP, BACK DOOR TRIM, LH
main67772-20021
9166140612
main91661-40612
9333914012
main93339-14012
31 parts on this diagram · 1 diagram in section