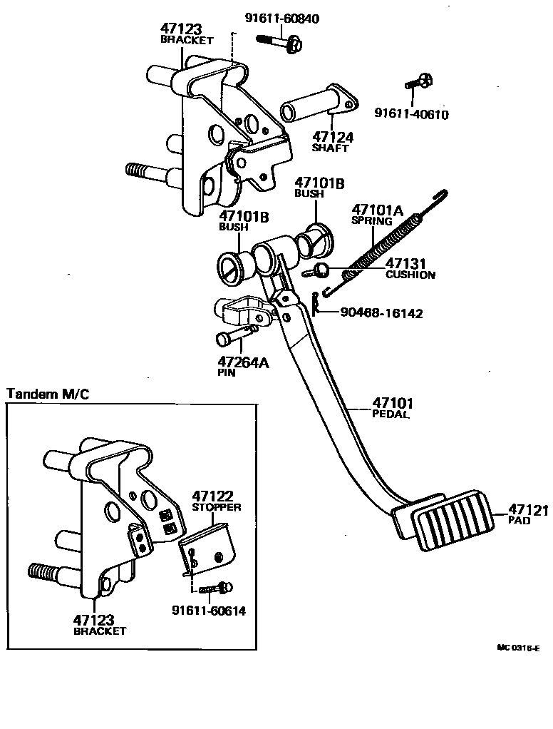
BRAKE PEDAL & BRACKET

47101BBUSH(FOR BRAKE PEDAL)
47122STOPPER, BRAKE PEDAL
47123BRACKET, BRAKE PEDAL
47124SHAFT, BRAKE PEDAL
47131CUSHION(FOR STOP LAMP SWITCH)
47264APIN(FOR PUSH ROD)
9046816142
main90468-16142
9161140610
main91611-40610
9161160614
main91611-60614
9161160840
main91611-60840
13 parts on this diagram · 1 diagram in section