DC/DC CONVERTER & CHARGER(BEV OR FCEV)

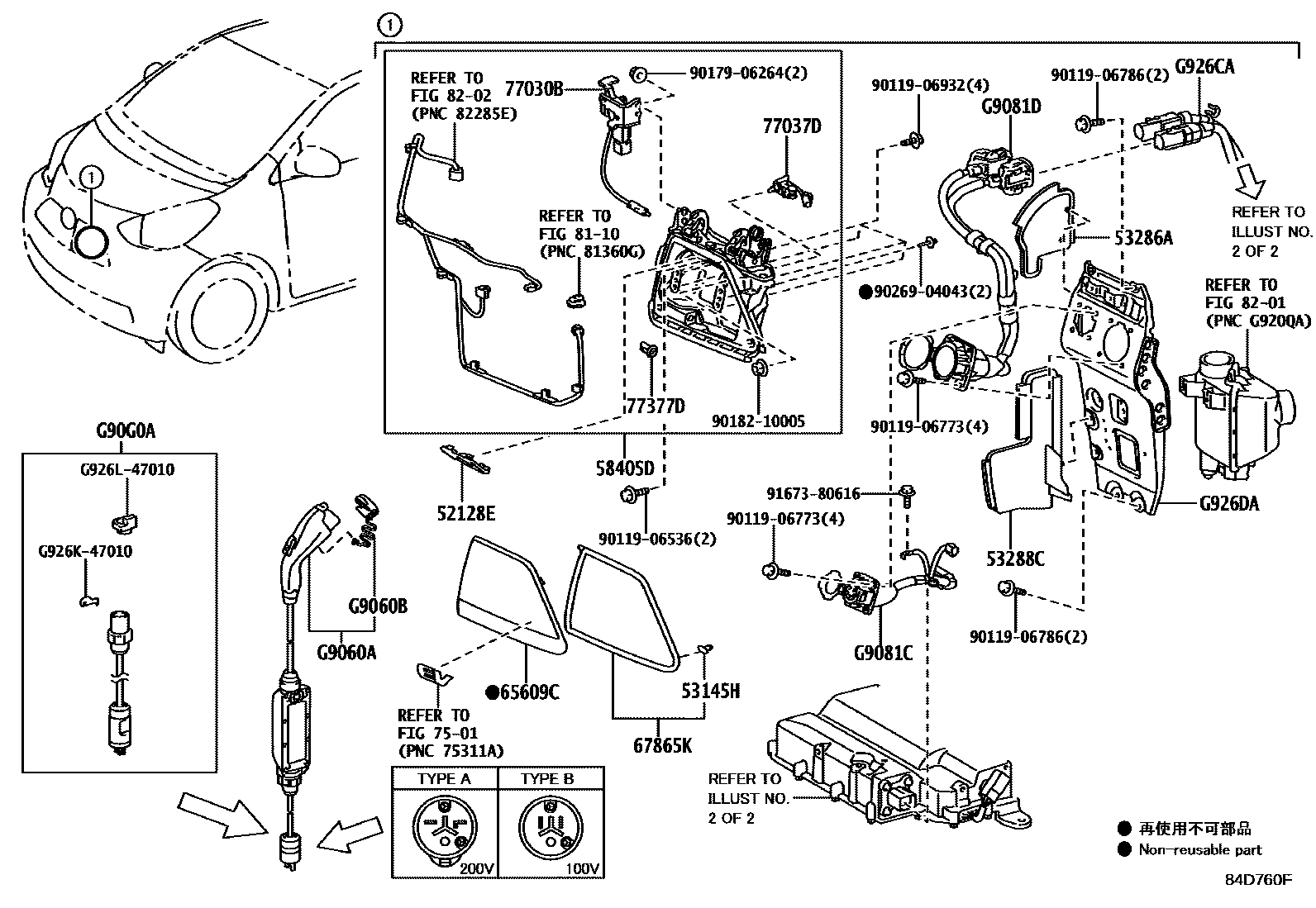
52128ECOVER, FRONT BUMPER HOLE, LH
53145HCLIP, RADIATOR GRILLE
53286ASEAL, RADIATOR SIDE AIR, LH
53288CEXTENSION, RADIATOR SUPPORT, LH
58405DLID SUB-ASSY, BATTERY CHARGER CONNECTOR BOX
65609CLID SUB-ASSY, INSPECTION OPENING, L/COLOR
67865KWEATHERSTRIP, SEPARATION DOOR
7501
77030BLOCK ASSY, CHARGE LID W/MOTOR
77037DLOCK SUB-ASSY, CHARGING PORT OPENING LID
77377DRETAINER, CHARGING PORT OPENING LID LOCK
8110
8201
8202
G9060ACABLE ASSY, ELECTRIC VEHICLE CHARGER
subG9060-47480
subG9060-47490
subG9060-47490
subG9060-47510
subG9060-47510
G9060BCOVER, CONNECTOR
G9081CCABLE, AC CHARGER INLET
G9081DCABLE, DC CHARGER INLET
G90G0APLUG ASSY, CABLE EV CHARGER
G926CAWIRE, EV CHARGER
G926DABRACKET, EV CHARGE CONNECTOR
9011906536
main90119-06536
9011906773
main90119-06773
9011906786
main90119-06786
9011906932
main90119-06932
9017906264
main90179-06264
9018210005
main90182-10005
9026904043
main90269-04043
9167380616
main91673-80616
G926K47010KEY, PLUG CABLE EV CHARGER
mainG926K-47010
G926L47010COVER, PLUG CABLE EV CHARGER
mainG926L-47010
31 parts on this diagram · 2 diagrams in section