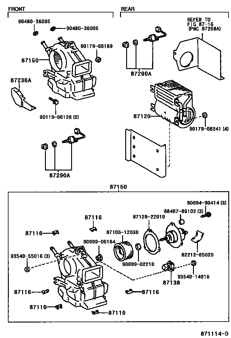
HEATING & AIR CONDITIONING - HEATER UNIT & BLOWER

87116SPRING, HEATER CASE FASTENING
87120HEATER ASSY, REAR
87138RESISTOR, HEATER BLOWER
87150RADIATOR ASSY, HEATER
sub87150-65020
8716
87236ACOVER, HEATER BLOWER
87290ASWITCH ASSY, HEATER
8221265020WIRE, INSTRUMENT PANEL LAMP FEED
main82212-65020
8710512030FAN SUB-ASSY, HEATER BLOWER
main87105-12030
8712822010GROMMET, HEATER
main87128-22010
8846789102CUSHION, COOLER CONDENSER, NO.1
main88467-89102
9009490414
main90094-90414
9009902210
main90099-02210
9009905164
main90099-05164
9011906126
main90119-06126
9017906189
main90179-06189
9017908241
main90179-08241
9048036005
main90480-36005
9354014016
main93540-14016
9354055016
main93540-55016
20 parts on this diagram · 1 diagram in section