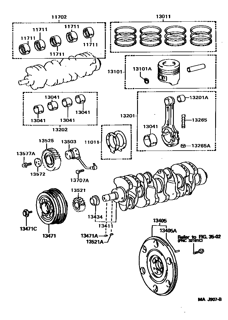
CRANKSHAFT & PISTON

11011WASHER SET, CRANKSHAFT THRUST
11702BEARING SET, CRANKSHAFT
11711BEARING, CRANKSHAFT
13011RING SET, PISTON
STD
O/S 0.50
O/S 0.75
O/S 1.00
13041BEARING, CONNECTING ROD
13101PISTON SUB-ASSY, W/PIN
STD,MARK1
STD,MARK2
STD,MARK3
O/S 0.50
O/S 0.75
O/S 1.00
13101ARING, HOLE SNAP(FOR PISTON PIN)
13201ROD SUB-ASSY, CONNECTING
sub13201-49056
13201ABUSH(FOR CONNECTING ROD SMALL END)
13202BEARING SET, CONNECTING ROD
13265BOLT, CONNECTING ROD
13265ANUT, HEXAGON(FOR CONNECTING ROD BOLT)
13405FLYWHEEL SUB-ASSY
13405APIN, STRAIGHT(FOR FLYWHEEL)
L=15,OD=5
13411CRANKSHAFT
13434SPLINE, OIL PUMP DRIVE
13471AKEY, CRANKSHAFT(FOR CRANKSHAFT PULLEY SET)
13471CBOLT(FOR CRANKSHAFT PULLEY SET)
13503SHAFT SUB-ASSY, IDLE GEAR
13521GEAR OR SPROCKET, CRANKSHAFT TIMING
13521AKEY(FOR CRANKSHAFT TIMING GEAR)
13525GEAR, IDLE, NO.1
13572PLATE, IDLE GEAR THRUST
13577ABOLT, HEXAGON(FOR IDLE GEAR BOLT LOCK)
13707AUNION(FOR OIL PIPE, NO.1)
3502
27 parts on this diagram · 1 diagram in section