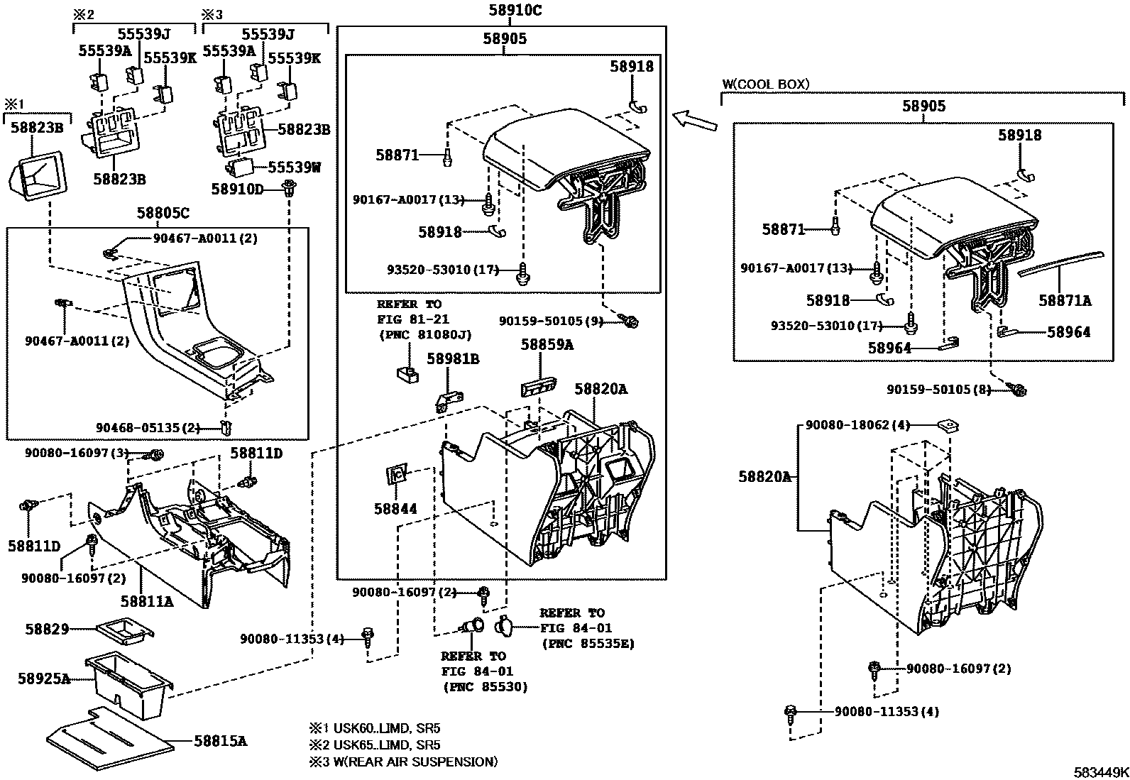
CONSOLE BOX & BRACKET

55539ACOVER, SPARE SWITCH HOLE
REAR SUSPENSION-AIR SUSPENSION
55539JCOVER, SPARE SWITCH HOLE
REAR SUSPENSION-AIR SUSPENSION
55539KCOVER, SPARE SWITCH HOLE
55539WCOVER, SPARE SWITCH HOLE
REAR SUSPENSION-AIR SUSPENSION
58805CPANEL SUB-ASSY, CONSOLE, UPPER REAR
58811ABOX, CONSOLE, FRONT
58811DCLIP(FOR CONSOLE BOX)
58815ACARPET, CONSOLE BOX
58820ABOX ASSY, CONSOLE COMPARTMENT
BLACK,TRIM1#,4#
BLACK,TRIM1#,2#
BLACK,TRIM1#
BLACK,TRIM1#,44
DK. BROWN,TRIM44
DK. BROWN,TRIM4#
COOL BOX-WITH,BLACK,TRIM1#,44
BLACK,TRIM1#,2#,44
COOL BOX-WITH,BLACK,TRIM1#,4#
BLACK,TRIM1#,2#,4#
COOL BOX-WITH,DK. BROWN,TRIM44
DK. BROWN,TRIM44
58823BBOX, CONSOLE COMPARTMENT
REAR SUSPENSION-AIR SUSPENSION
REAR SUSPENSION-AIR SUSPENSION
58829POCKET, CONSOLE BOX
58844BEZEL, CONSOLE BOX
58859AHOOK, CONSOLE BOX HOLDER
58871CUSHION, CONSOLE BOX
COOL BOX-WITH
58871ACUSHION, CONSOLE BOX, NO.2
COOL BOX-WITH
58905DOOR SUB-ASSY, CONSOLE COMPARTMENT
GRAY,TRIM1#
REDROCK,TRIM2#
SAND BEIGE,TRIM4#
GRAY,TRIM1#
SAND BEIGE,TRIM4#
COOL BOX-WITH,GRAY,TRIM1#
COOL BOX-WITH,SAND BEIGE,TRIM4#
COOL BOX-WITH,GRAY,TRIM1#
GRAY,TRIM1#
SAND BEIGE,TRIM4#
COOL BOX-WITH,SAND BEIGE,TRIM4#
RED ROCK,TRIM2#
58910CBOX ASSY, CONSOLE, REAR
REDROCK,TRIM2#
GRAY,TRIM1#
SAND BEIGE,TRIM4#
GRAY,TRIM1#
BLACK,TRIM4#
SAND BEIGE,TRIM4#
58910DCLIP(FOR CONSOLE BOX)
58918SPRING, CONSOLE BOX STOPPER
58925APOCKET, CONSOLE BOX, REAR
58964STOPPER, CONSOLE COMPARTMENT DOOR, NO.1
COOL BOX-WITH
58981BRETAINER, CONSOLE MOUNTING, NO.1
COOL BOX-WITH
8121
8401
9008011353
main90080-11353
9008016097
main90080-16097
9008018062
main90080-18062
9015950105
main90159-50105
90167A0017
main90167-A0017
90467A0011
main90467-A0011
9046805135
main90468-05135
9352053010
main93520-53010
32 parts on this diagram · 3 diagrams in section