HEATING & AIR CONDITIONING - CONTROL & AIR DUCT

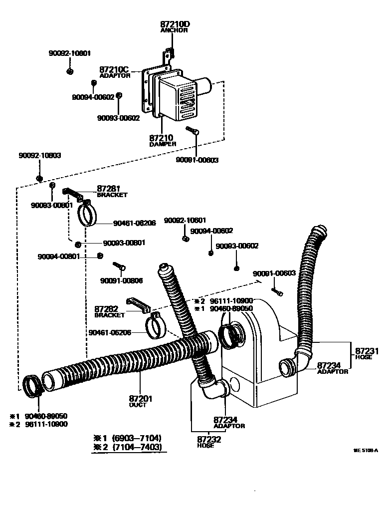
87201DUCT SUB-ASSY, AIR, NO.1
87210DAMPER ASSY, AIR
87210CADAPTER, HEATER AIR DAMPER
87210DANCHOR, AIR DAMPER ADAPTER
87234ADAPTER, DEFROSTER HOSE
87281BRACKET, AIR DUCT
87282BRACKET, AIR DUCT
9009100603
main90091-00603
9009100806
main90091-00806
9009210601
main90092-10601
9009210803
main90092-10803
9009300602
main90093-00602
9009300801
main90093-00801
9009400602
main90094-00602
9009400801
main90094-00801
9046089050
main90460-89050
9046106206
main90461-06206
9611110900
main96111-10900
20 parts on this diagram · 2 diagrams in section