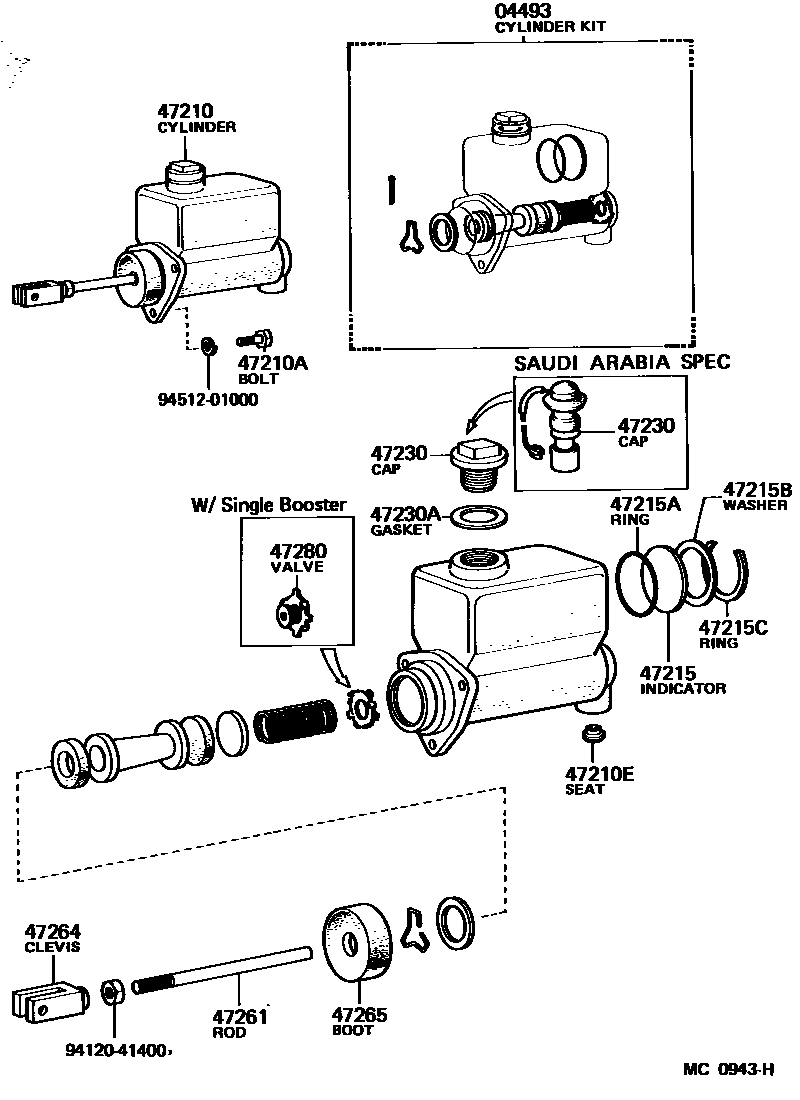
BRAKE MASTER CYLINDER

04493CYLINDER KIT, BRAKE MASTER
W/SINGLE BOOSTER
W/SPLIT BOOSTER
SAUDI ARABIA SPEC
OMAN SPEC
GULF SPEC
W/AIR SERVO BRAKE
47210CYLINDER ASSY, MASTER, W/O BOOSTER
sub47200-55054
W/SINGLE BOOSTER
W/SPLIT BOOSTER
W/SPLIT BOOSTER
W/SINGLE BOOSTER
W/AIR SERVO BRAKE
OMAN SPEC
GULF SPEC
SAUDI ARABIA SPEC
sub47200-56012
sub47200-57030
47210ABOLT OR STUD BOLT(FOR BRAKE MASTER CYLINDER SETTING)
sub91112-41032
sub91111-51035
sub91111-41035
47210ESEAT, UNION(FOR BRAKE MASTER CYLINDER)
47215ARING, O(FOR BRAKE FLUID INDICATOR)
47215BWASHER, PLATE(FOR BRAKE FLUID INDICATOR)
47215CRING, HOLE SNAP(FOR BRAKE FLUID INDICATOR)
47230CAP ASSY, BRAKE MASTER CYLINDER RESERVOIR FILLER
sub47230-55011
OMAN SPEC
SAUD ARABIA SPEC
GULF SPEC
47230AGASKET(FOR RESERVOIR CAP)
47264CLEVIS, MASTER CYLINDER PUSH ROD
9412041400
main94120-41400
9451201000
main94512-01000
16 parts on this diagram · 3 diagrams in section