BATTERY & BATTERY CABLE

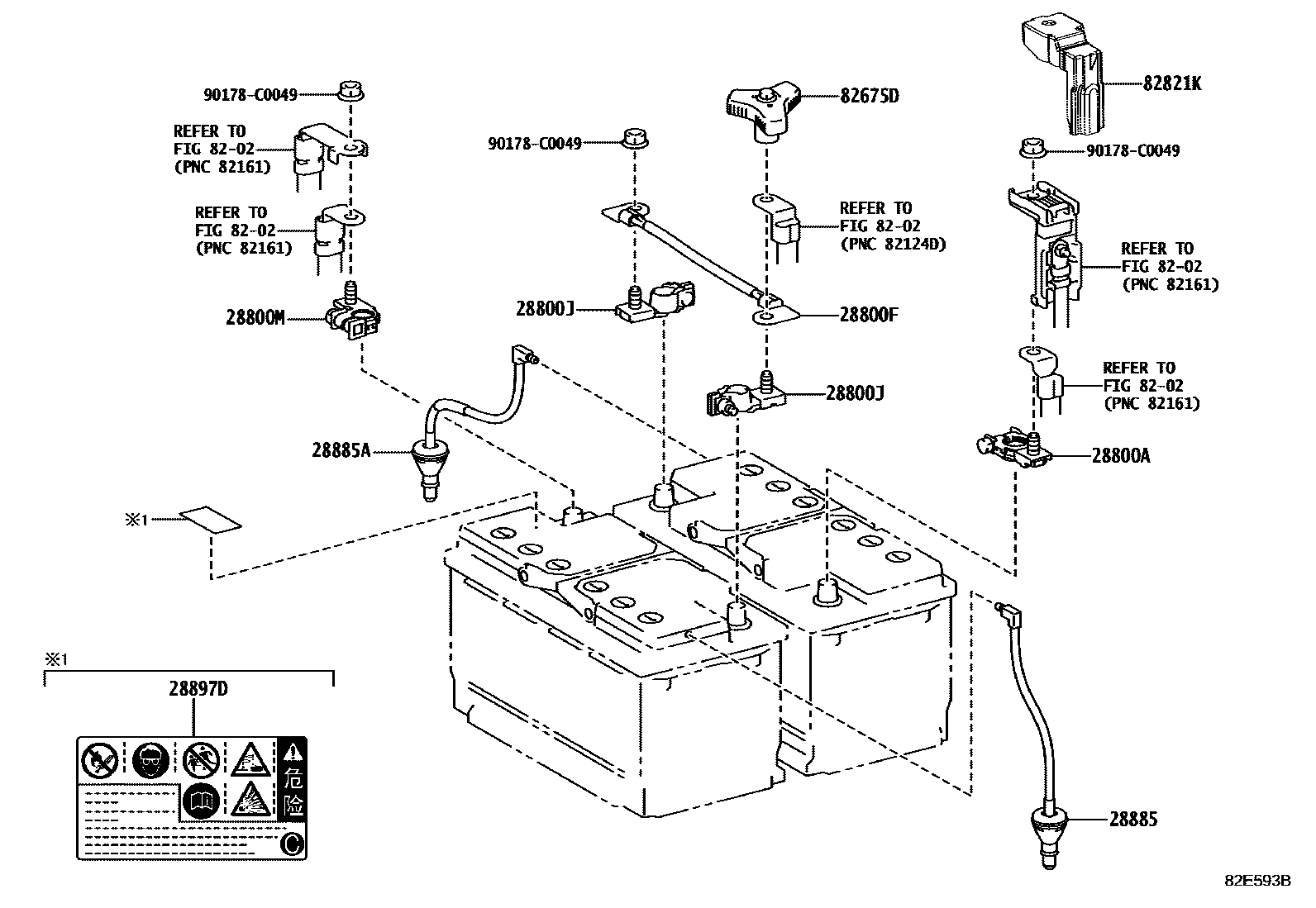
28800ATERMINAL, BATTERY POSITIVE
28800FCABLE, BATTERY TO BATTERY
28800JTERMINAL, BATTERY NEGATIVE
28800MTERMINAL, BATTERY POSITIVE
28885HOSE, BATTERY ROOM VENTILATION
28885AHOSE, BATTERY ROOM VENTILATION
28897DLABEL, BATTERY CAUTION
8202
82675DTERMINAL, JUNCTION
82821KCOVER, CONNECTOR
90178C0049
main90178-C0049
11 parts on this diagram · 2 diagrams in section