E
EPC Data

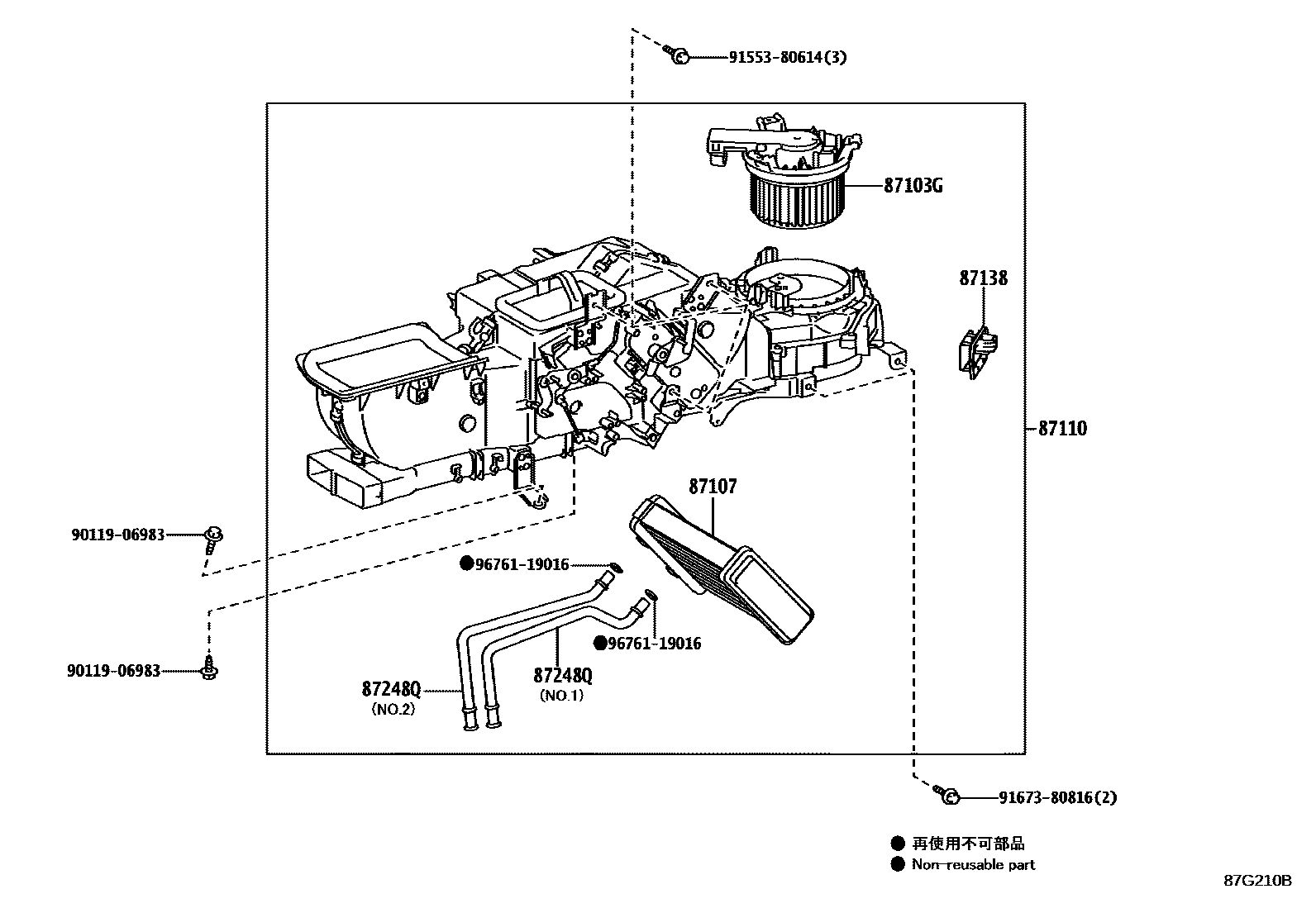
HEATING & AIR CONDITIONING - HEATER UNIT & BLOWER

Parts diagram
87103GCASE SUB-ASSY, FRONT HEATER BLOWER
main87103-36030i201701-201908
FRONT HEATER-MANUAL 120W
main87103-36050i202201-202412
FRONT HEATER-MANUAL 120W
87107UNIT SUB-ASSY, HEATER RADIATOR
main87107-36091i201701-201907
FRONT HEATER-MANUAL 120W
87110HEATER ASSY
main87110-36A20i201908
main87110-36B40i201701-201908
FRONT HEATER-MANUAL 120W
main87110-36B50i201701-201908
FRONT HEATER-MANUAL 120W
main87110-36C60i202201-202303
main88910-36050i201701-201908
main88910-36070i201908-202201
87138RESISTOR, HEATER BLOWER
main87138-36370i201701-201712
87248QPIPE, FRONT HEATER RADIATOR WATER
main87248-36550i202201-202512
NO.1
main87248-36560i202201-202312
NO.2
main87248-36570i202201-202412
NO.1
main87248-36580i201701-201907
NO.2
9011906983
9155380614
9167380816
9676119016

9 parts on this diagram · 7 diagrams in section

HEATING & AIR CONDITIONING - HEATER UNIT & BLOWER — Toyota Parts Diagram with OEM Numbers & Prices | EPC Data