HEATING & AIR CONDITIONING - COOLER PIPING

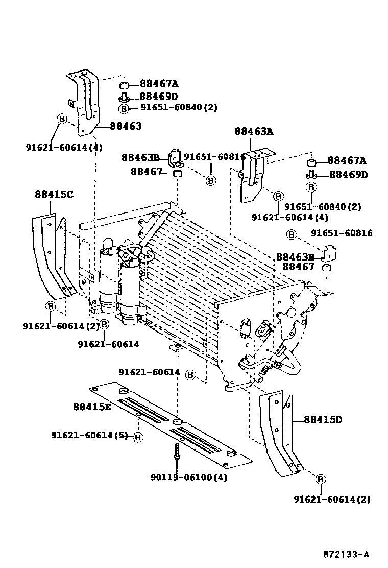
88415CCOVER, DUST, NO.1
main88415-36060iRZB50..GCC;HZB50..GCC..4FC;RZB50..HRF..GEN;BB4#,5#,RZB40..WC;HZB50..LHD..WC..5F;HZB50..RHD..HRF..WC..DSL199301-199907
88415DCOVER, DUST, NO.2
main88415-36080iBB50..EX..GEN;HZB50..RHD..(20S,22S)..GEN;BB4#,50,RZB40..(17S,19S,22S)..GEN199907-200108
88415ECOVER, DUST, NO.3
main88415-36100iRZB50..GCC;BB4#,RZB40..WC;HZB50..GCC..4FC;RZB50..HRF..GEN;HZB50..LHD..WC..5F;HZB50..RHD..HRF..WC..DSL199301-199506
main88415-36140iRZB50..GCC;HZB50..GCC..4FC;RZB50..HRF..GEN;BB4#,5#,RZB40..WC;HZB50..LHD..WC..5F;HZB50..RHD..HRF..WC..DSL199506-199907
88463BRACKET, COOLER CONDENSER, NO.1
main88463-36010iRZB50..GCC;HZB50..GCC..4FC;RZB50..HRF..GEN;HZB50..RHD..HRF..WC..DSL;BB42,HZB50,RZB40..LHD..WC..5F199301-199506
88463ABRACKET, COOLER CONDENSER, NO.2
main88463-36020iRZB50..GCC;HZB50..GCC..4FC;RZB50..HRF..GEN;HZB50..LHD..WC..5F;HZB50..RHD..HRF..WC..DSL199301-199506
88463BBRACKET, COOLER CONDENSER, NO.3
main88463-36060×2iRZB50..GCC;BB4#,RZB40..WC;HZB50..GCC..4FC;RZB50..HRF..GEN;HZB50..LHD..WC..5F;HZB50..RHD..HRF..WC..DSL199301-199506
main88688-36490×2iBB58,59;HZB50..LHD..EX;HZB50..HRF..30S..WC;BB50..WC..IV..TDEFI;HZB50..LHD..SRF..WC;BB50..(19S,20S)..TDEFI;BB42,50..(17S,21S,26S,30S)..WC..(ARL,GCC,GEN)199907-200408
88467CUSHION, COOLER CONDENSER, NO.1
main88467-90B00×6iRZB50..GCC;HZB50..GCC..4FC;RZB50..HRF..GEN;BB4#,5#,RZB40..WC;HZB50..LHD..WC..5F;HZB50..RHD..HRF..WC..DSL199301-199907
88467ACUSHION, COOLER CONDENSER, NO.2
88469DCOLLAR, CONDENSER BRACKET, NO.1
main88469-90B00×6iRZB50..GCC;HZB50..GCC..4FC;RZB50..HRF..GEN;BB4#,5#,RZB40..WC;HZB50..LHD..WC..5F;HZB50..RHD..HRF..WC..DSL199301-199907
9011906100
main90119-06100
9162160614
main91621-60614
9165160816
main91651-60816
9165160840
main91651-60840
13 parts on this diagram · 27 diagrams in section