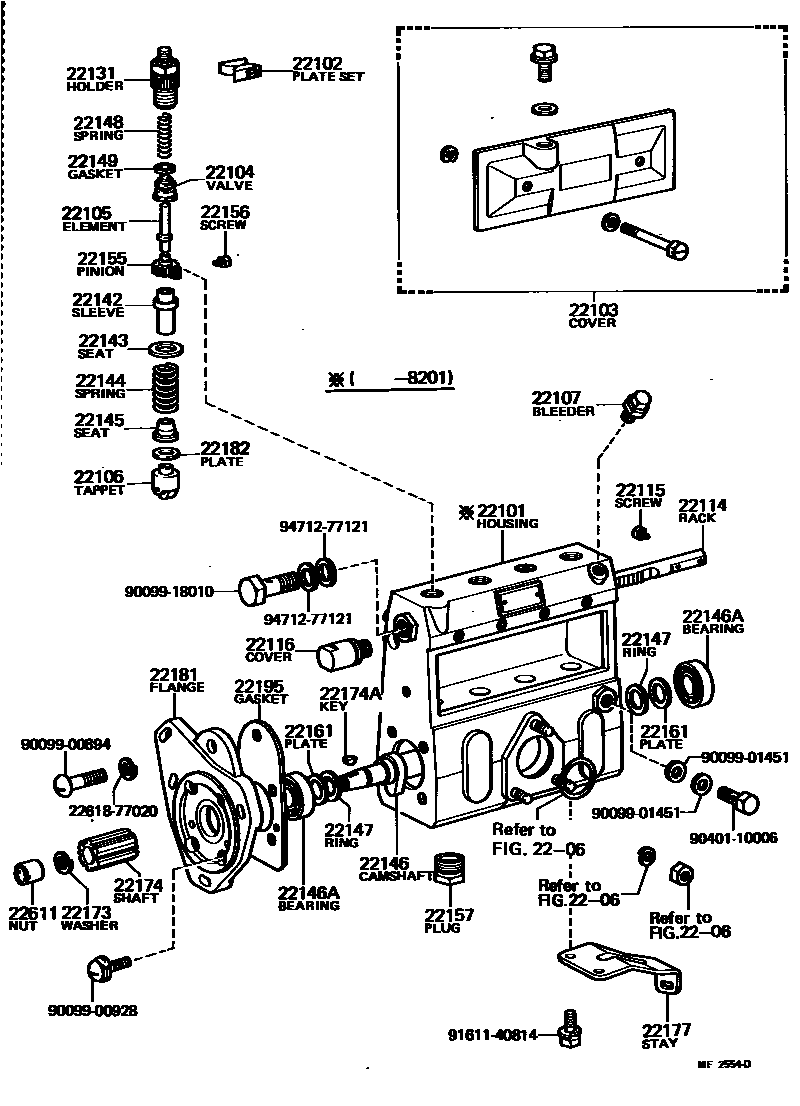
INJECTION PUMP BODY

2206
22101HOUSING SUB-ASSY, INJECTION PUMP
22102PLATE SET, VALVE HOLDER LOCK
22103COVER SUB-ASSY, INJECTION PUMP
22104VALVE SUB-ASSY, INJECTION PUMP DELIVERY
22105ELEMENT SUB-ASSY, INJECTION PUMP
22106TAPPET SUB-ASSY, INJECTION PUMP
22107BLEEDER SUB-ASSY, AIR
22114RACK, CONTROL
22115SCREW, RACK GUIDE
sub22115-78140
22116COVER, CONTROL RACK
22131HOLDER, DELIVERY VALVE
22142SLEEVE, PLUNGER CONTROL
sub22142-58230
22143SEAT, SPRING UPPER
22144SPRING, PUMP PLUNGER
22145SEAT, SPRING, LOWER
22146CAMSHAFT, INJECTION PUMP
22146ABEARING(FOR INJECTION CAMSHAFT)
22147RING, CAMSHAFT ADJUST
22148SPRING, DELIVERY VALVE
22149GASKET, DELIVERY VALVE
22155PINION, PLUNGER CONTROL
22156SCREW, PLUNGER CONTROL PINION CLAMP
22157PLUG, INJECTION PUMP FELT PLATE
22161PLATE, CAMSHAFT SHIM
T=0.10,T=0.10
T=0.12,T=0.12
T=0.14,T=0.14
T=0.16,T=0.16
T=0.18,T=0.18
T=0.50,T=0.50
22173WASHER, SPRING
22174SHAFT, SPLINE
22174AKEY(FOR SPLINE SHAFT)
22177STAY, INJECTION PUMP BODY
22181FLANGE, INJECTION PUMP
22182PLATE, TAPPET ADJUSTING SHIM
T=0.10,T=0.1
T=0.20,T=0.2
T=0.30,T=0.3
T=0.40,T=0.4
T=0.50,T=0.5
T=0.60,T=0.6
T=0.70,T=0.7
T=0.80,T=0.8
T=0.90,T=0.9
T=1.00,T=1.0
T=1.10,T=1.1
T=1.20,T=1.2
T=1.30,T=1.3
T=1.40,T=1.4
22195GASKET, BEARING COVER
sub22195-58050
22611NUT, TIMER ROUND
2261877020GASKET, TIMER SCREW
main22618-77020
9009900894
main90099-00894
9009900928
main90099-00928
9009901451
main90099-01451
9009918010
main90099-18010
9040110006
main90401-10006
9161140814
main91611-40814
9471277121
main94712-77121
41 parts on this diagram · 1 diagram in section