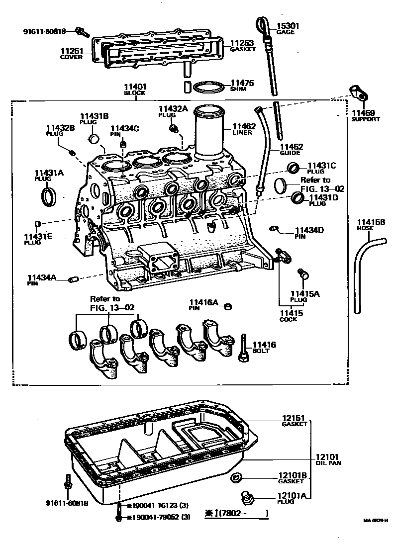
CYLINDER BLOCK

11251COVER, VALVE PUSH ROD
FR
RR
11253GASKET, VALVE PUSH ROD COVER
11401BLOCK SUB-ASSY, CYLINDER
sub11401-39276
sub11401-39277
sub11401-39278
sub11401-39365
sub11401-39366
sub11401-49227
CHINA SPEC
sub11401-59056
sub11401-59215
11415APLUG, WATER DRAIN COCK(FOR CYLINDER BLOCK)
11415BHOSE(FOR DRAIN COCK)
11416BOLT(FOR CRANKSHAFT BEARING CAP SET)
*13-1.5PX78.5-20
*12-1.25PX75-25
*12-1.25PX75-22
11416APIN, RING(FOR CRANKSHAFT BEARING CAP SET)
L=7,OD=14.5
L=10,OD=15.5
L=17.5,OD=10
11431APLUG, TIGHT, NO.1(FOR CYLINDER BLOCK)
OD=21
OD=51
11431BPLUG, TIGHT, NO.2(FOR CYLINDER BLOCK)
OD=40
OD=50
11431CPLUG, TIGHT, NO.3(FOR CYLINDER BLOCK)
O=27
11431DPLUG, TIGHT, NO.4(FOR CYLINDER BLOCK)
OD=30
11431EPLUG, TIGHT, NO.5(FOR CYLINDER BLOCK)
OD=17
11434APIN, STRAIGHT(FOR TIMING GEAR COVER SET)
L=18,OD=8,L=18,OD=8
L=11,OD=11,L=11,OD=11
L=8,OD=11,L=8,OD=11
11434CPIN, STRAIGHT (FOR CYLINDER HEAD SET)
L=18,OD=8,L=18,OD=8
L=7,OD=14.5,L=7,OD=14.5
11434DPIN, STRAIGHT(FOR ENGINE REAR OIL SEAL)
L=18,OD=8,L=18,OD=8
L=11,OD=11,L=11,OD=11
11452GUIDE, OIL LEVEL GAGE
11459SUPPORT, OIL LEVEL GAGE GUIDE
11462LINER, CYLINDER
11475SHIM, CYLINDER LINER
T=0.05
T=0.10
12101APLUG(FOR OIL PAN DRAIN)
25-1.5P
12101BGASKET(FOR OIL PAN DRAIN PLUG)
1302
9004116123
main90041-16123
9004179052
main90041-79052
9161160818
main91611-60818
31 parts on this diagram · 5 diagrams in section