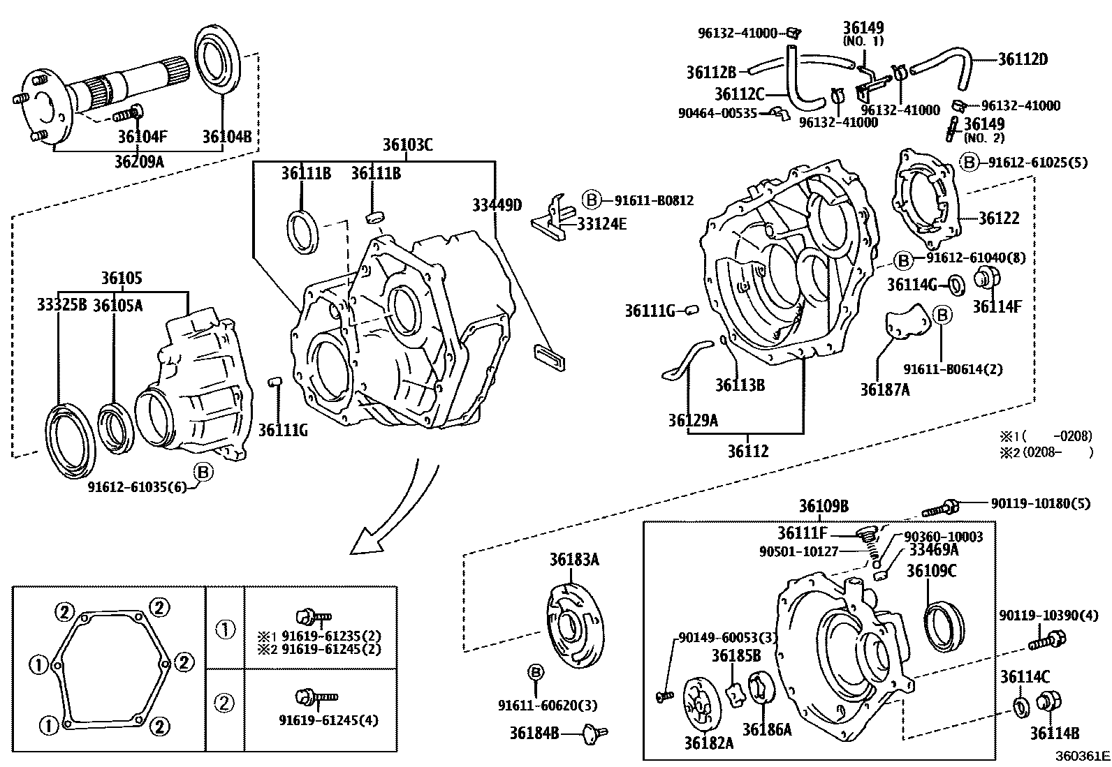
TRANSFER CASE & EXTENSION HOUSING

33124EPIPE, OIL RECEIVER(FOR TRANSFER)
33325BDEFLECTOR, DUST (FOR TRANSFER EXTENSION FRONT HOUSING)
33449DMAGNET (FOR TRANSFER CASE)
33469ASEAT, RELIEF VALVE (FOR TRANSFER EXTENSION REAR HOUSING)
36103CCASE, TRANSFER, FRONT
36104BDEFLECTOR, DUST (FOR TRANSFER OUTPUT SHAFT)
36104FBOLT (FOR TRANSFER OUTPUT SHAFT COMPANION FLANGE)
36105HOUSING SUB-ASSY, TRANSFER EXTENSION, FRONT
36105ASEAL, OIL (TRANSFER EXTENSION FRONT HOUSING SUB-ASSY)
36109BHOUSING SUB-ASSY, TRANSFER EXTENSION, REAR
36109CSEAL, OIL (TRANSFER EXTENSION REAR HOUSING SUB-ASSY)
36111BSEAL, OIL (FOR TRANSFER CASE)
LEVER SIDE
SHAFT SIDE
36111FPLUG (FOR TRANSFER CASE)
36111GPIN, STRAIGHT (FOR TRANSFER CASE)
L=16,OD=12
36112CASE, TRANSFER, REAR
36112BHOSE, NO.1 (FOR TRANSFER REAR CASE)
36112CHOSE, NO.2 (FOR TRANSFER REAR CASE)
L=725
36112DHOSE, NO.3 (FOR TRANSFER REAR CASE)
36113BRING, O (FOR TRANSFER CASE PLUG)
ID=6.0
36114BPLUG, NO.1 (FOR TRANSFER CASE)
36114CGASKET, NO.1 (FOR TRANSFER CASE)
36114FPLUG (FOR TRANSFER DRAIN)
36114GGASKET (FOR TRANSFER DRAIN PLUG)
36122COVER, TRANSFER CASE, NO.2
36129ATUBE, TRANSFER OIL
36149PIPE, TRANSFER BREATHER
NO.1
NO.2
NO.1
36182ACOVER, TRANSFER OIL PUMP
36183APLATE, TRANSFER OIL PUMP
36184BSHAFT, TRANSFER OIL PUMP DRIVE
36185BROTOR, TRANSFER OIL PUMP DRIVE
36186AROTOR, TRANSFER OIL PUMP DRIVEN
36187ASTRAINR, TRANSFER OIL, NO.1
36209ASHAFT, TRANSFER OUTPUT, FRONT
9011910180
main90119-10180
9011910390
main90119-10390
9014960053
main90149-60053
9036010003
main90360-10003
9046400535
main90464-00535
9050110127
main90501-10127
9161160620
main91611-60620
91611B0614
main91611-B0614
91611B0812
main91611-B0812
9161261025
main91612-61025
9161261035
main91612-61035
9161261040
main91612-61040
9161961235
main91619-61235
9161961245
main91619-61245
9613241000
main96132-41000
48 parts on this diagram · 1 diagram in section