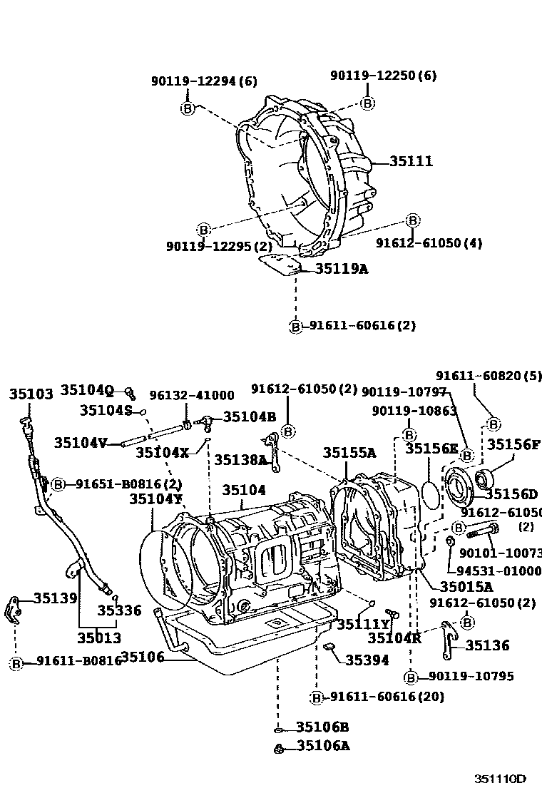
TRANSMISSION CASE & OIL PAN (ATM)

35013TUBE SUB-ASSY, TRANSMISSION OIL FILLER
35015AADAPTER SUB-ASSY, TRANSMISSION CASE, REAR
35103GAGE SUB-ASSY, TRANSMISSION OIL LEVEL
35104CASE SUB-ASSY, AUTOMATIC TRANSMISSION
35104BPLUG, BREATHER, NO.1 (ATM)
35104QPLUG, NO.1 (FOR TRANSAXLE CASE)
35104RPLUG, NO.2 (FOR TRANSAXLE CASE)
35104SRING, O (FOR TRANSAXLE CASE PLUG NO.1)
35104XRING, O (FOR BREATHER PLUG)
35104YRING, O (FOR AUTOMATIC TRANSMISSION CASE)
35106PAN SUB-ASSY, AUTOMATIC TRANSMISSION OIL
35106APLUG SUB-ASSY, DRAIN (ATM)
35106BGASKET, DRAIN PLUG (ATM)
35111YRING, O (FOR AUTOMATIC TRANSMISSION CASE)
35119ACOVER, TRANSMISSION HOUSING
35136HANGER, TRANSMISSION,NO.1
35138AHANGER, TRANSMISSION, NO.2
35139BRACKET, OIL FILLER TUBE
35155AGASKET, TRANSMISSION CASE ADAPTER
35156DCOVER, TRANSMISSION CASE REAR ADAPTER
35156ERING, O(FOR TRANSMISSION CASE REAR ADAPTER COVER)
35156FSEAL, OIL(FOR TRANSMISSION CASE REAR ADAPTER COVER)
35336RING, O (FOR TRANSMISSION OIL FILLER TUBE)
35394MAGNET, OIL CLEANER (FOR TRANSMISSION)
9010110073
main90101-10073
9011910795
main90119-10795
9011910797
main90119-10797
9011910863
main90119-10863
9011912250
main90119-12250
9011912294
main90119-12294
9011912295
main90119-12295
9161160616
main91611-60616
9161160820
main91611-60820
91611B0816
main91611-B0816
9161261050
main91612-61050
91651B0816
main91651-B0816
9453101000
main94531-01000
9613241000
main96132-41000
40 parts on this diagram · 3 diagrams in section