E
EPC Data

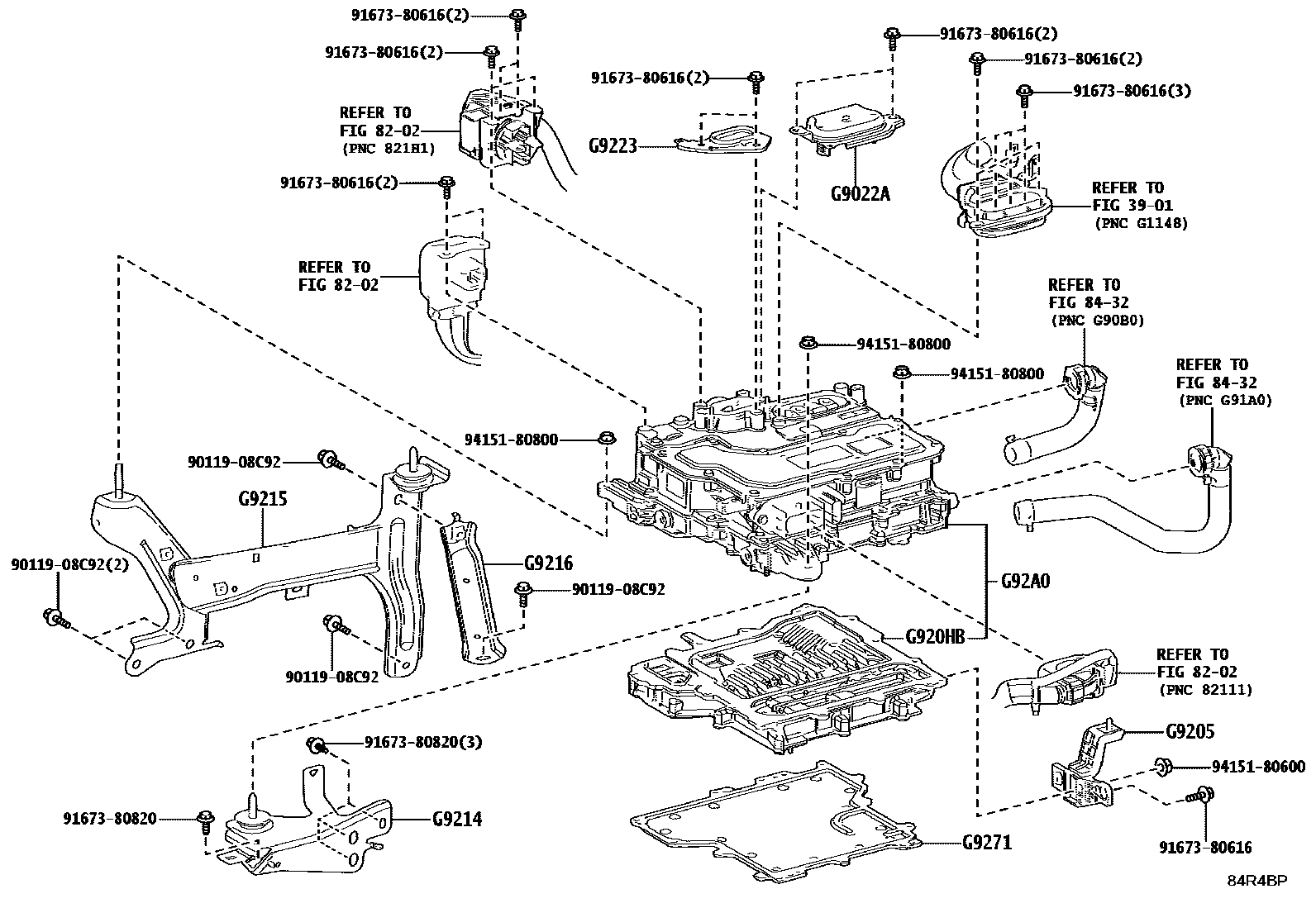
HEV INVERTER

Parts diagram
3901
8202
8432
G9022ACOVER SUB-ASSY, INVERTER, UPPER
mainG902234010i202411
G9205PLATE SUB-ASSY, INVERTER BUS-BAR
mainG920560011i202411
G920HBCONVERTER SET, HYBRID VEHICLE
mainG920H60010i202411
G9214BRACKET, INVERTER, NO.1
mainG921460020i202411
mainG921460030i202411
G9215BRACKET, INVERTER, NO.2
mainG921560020i202411
mainG921560030i202411
G9216BRACKET, INVERTER, NO.3
mainG921660020i202411
G9223COVER, INVERTER TERMINAL
mainG922334010i202411
G9271COVER, CONVERTER
mainG927134010i202411
G92A0INVERTER ASSY, HYBRID MOTOR CONTROL
mainG92A060040i202411
9011908C92
9167380616
9167380820
9415180600
9415180800

17 parts on this diagram · 2 diagrams in section

HEV INVERTER — Toyota Parts Diagram with OEM Numbers & Prices | EPC Data