ELECTRONIC CONTROLED DIESEL (ECD)

1703
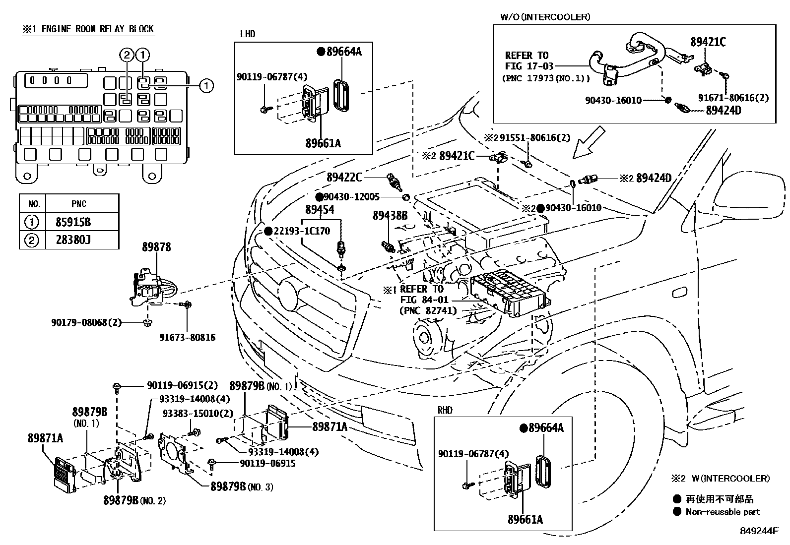
28380JRELAY, FUEL PUMP
FUEL TANK-WITH(SUB TANK)
8401
85915BRELAY, MAIN (FOR DIESEL TURBO)
89421CSENSOR, TURBO PRESSURE (FOR DIESEL TURBO)
main89421-20200iVDJ200..08S..GX;VDJ200..GX..SOB..G;VDJ200..(STD,VX)..G;VDJ200..LHD..05S..LUB200709-202104
89422CSENSOR, DIESEL ENGINE WATER TEMPERATURE
main89422-33030iVDJ200..08S..GX;VDJ200..GX..SOB..G;VDJ200..(STD,VX)..G;VDJ200..LHD..05S..LUB200709-202104
89424DSENSOR, INLET AIR TEMPERATURE
main89424-60010iVDJ200..09S..SOB;VDJ200..(VX,VXR)..GCC;VDJ200..05S..(ARL,GCC);VDJ200..LHD..5F..GEN..LUB200709-202104
89438BSWITCH, POWER STEERING OIL PRESSURE
89454SENSOR, FUEL TEMPERATURE
89661ACOMPUTER, ENGINE CONTROL
ARGENTINA SPEC&EXHAUST EMISSION CONTROL-EUROPE STEP4,WITH(EGR) & WITHOUT(OBD)
sub89661-60S01
ARGENTINA SPEC&EXHAUST EMISSION CONTROL-EUROPE STEP4,WITH(EGR) & WITHOUT(OBD)
sub89661-60S61
sub89666-60A01
DENSO
DENSO
sub89666-60A81
DENSO
MOROCCO SPEC&EXHAUST EMISSION CONTROL-EUROPE STEP4, WITH(EGR) & WITHOUT(OBD)
sub89666-60B11
DENSO
sub89666-60B21
DENSO
EXHAUST EMISSION CONTROL-EUROPE STEP3,WITH(EGR) & WITHOUT(OBD)
EXHAUST EMISSION CONTROL-EUROPE STEP2,WITH(EGR) & WITHOUT(OBD)
EXHAUST EMISSION CONTROL-EUROPE STEP3,WITH(EGR) & WITHOUT(OBD)
EXHAUST EMISSION CONTROL-EUROPE STEP2,WITH(EGR) & WITHOUT(OBD)
COLOMBIA SPEC&EXHAUST EMISSION CONTROL-EUROPE STEP4,WITH(EGR) & WITHOUT(OBD)
EXHAUST EMISSION CONTROL-EUROPE STEP3,WITH(EGR) & WITHOUT(OBD)
EXHAUST EMISSION CONTROL-EUROPE STEP2,WITH(EGR) & WITHOUT(OBD)
EXHAUST EMISSION CONTROL-EUROPE STEP3,WITH(EGR) & WITHOUT(OBD)
NIGERIA SPEC&EXHAUST EMISSION CONTROL-EUROPE STEP2,WITH(EGR) & WITHOUT(OBD)
EXHAUST EMISSION CONTROL-EUROPE STEP3,WITH(EGR) & WITHOUT(OBD)
sub89661-60S31
NIGERIA SPEC
EXHAUST EMISSION CONTROL-EUROPE STEP3,WITH(EGR) & WITHOUT(OBD)
sub89661-60S41
EXHAUST EMISSION CONTROL-EUROPE STEP3,WITH(EGR) & WITHOUT(OBD)
EXHAUST EMISSION CONTROL-EUROPE STEP2,WITH(EGR) & WITHOUT(OBD)
NIGERIA SPEC
NIGERIA SPEC&EXHAUST EMISSION CONTROL-EUROPE STEP2,WITH(EGR) & WITHOUT(OBD)
DENSO,SOUTH AFRICA SPEC
COLOMBIA SPEC&EXHAUST EMISSION CONTROL-EUROPE STEP4, WITH(EGR) & WITHOUT(OBD)&HEATER-4SEAT INDEPENDENT CONTROL
sub89666-60A41
DENSO,COLOMBIA SPEC&EXHAUST EMISSION CONTROL-EUROPE STEP4, WITH(EGR) & WITHOUT(OBD)&HEATER-4SEAT INDEPENDENT CONTROL & PTC
DENSO,EXHAUST EMISSION CONTROL-EUROPE STEP3, WITH(EGR) & WITHOUT(OBD)
EXHAUST EMISSION CONTROL-EUROPE STEP2, WITH(EGR) & WITHOUT(OBD)
sub89666-60A71
DENSO,YEMEN SPEC&EXHAUST EMISSION CONTROL-EUROPE STEP2, WITH(EGR) & WITHOUT(OBD)
NIGERIA SPEC
DENSO,EXHAUST EMISSION CONTROL-EUROPE STEP3, WITH(EGR) & WITHOUT(OBD)
EXHAUST EMISSION CONTROL-EUROPE STEP2, WITH(EGR) & WITHOUT(OBD)
sub89666-60B01
DENSO,EXHAUST EMISSION CONTROL-EUROPE STEP2, WITH(EGR) & WITHOUT(OBD)
DENSO,SAUDI ARABIA SPEC
89664ASEAL, ENGINE CONTROL COMPUTER
MOROCCO SPEC&EXHAUST EMISSION CONTROL-EUROPE STEP4, WITH(EGR) & WITHOUT(OBD)
89871ADRIVER, INJECTOR
NO.1
NO.2
main89871-71010iVDJ200..09S..SOB;VDJ200..LHD..5F..GEN..LUB;VDJ200..(05S,08S)..(GX,VX,VXR)..GCC200709-202104
89879BBRACKET, INJECTOR DRIVER
main89879-60090iVDJ200..09S..SOB;VDJ200..LHD..5F..GEN..LUB;VDJ200..(05S,08S)..(GX,VX,VXR)..GCC200709-202104
NO.1
main89879-60100iVDJ200..08S..GX;VDJ200..GX..SOB..G;VDJ200..(STD,VX)..G;VDJ200..LHD..05S..LUB200709-202104
NO.2
main89879-60110iVDJ200..09S..SOB;VDJ200..LHD..5F..GEN..LUB;VDJ200..(05S,08S)..(GX,VX,VXR)..GCC200709-202104
NO.3
NO.1
NO.2
221931C170RING, O(FOR LEVER CONNECTING PIN)
main22193-1C170
9011906787
main90119-06787
9011906915
main90119-06915
9017908068
main90179-08068
9043012005
main90430-12005
9043016010
main90430-16010
9155180616
main91551-80616
9167180616
main91671-80616
9167380816
main91673-80816
9331914008
main93319-14008
9338315010
main93383-15010
25 parts on this diagram · 2 diagrams in section