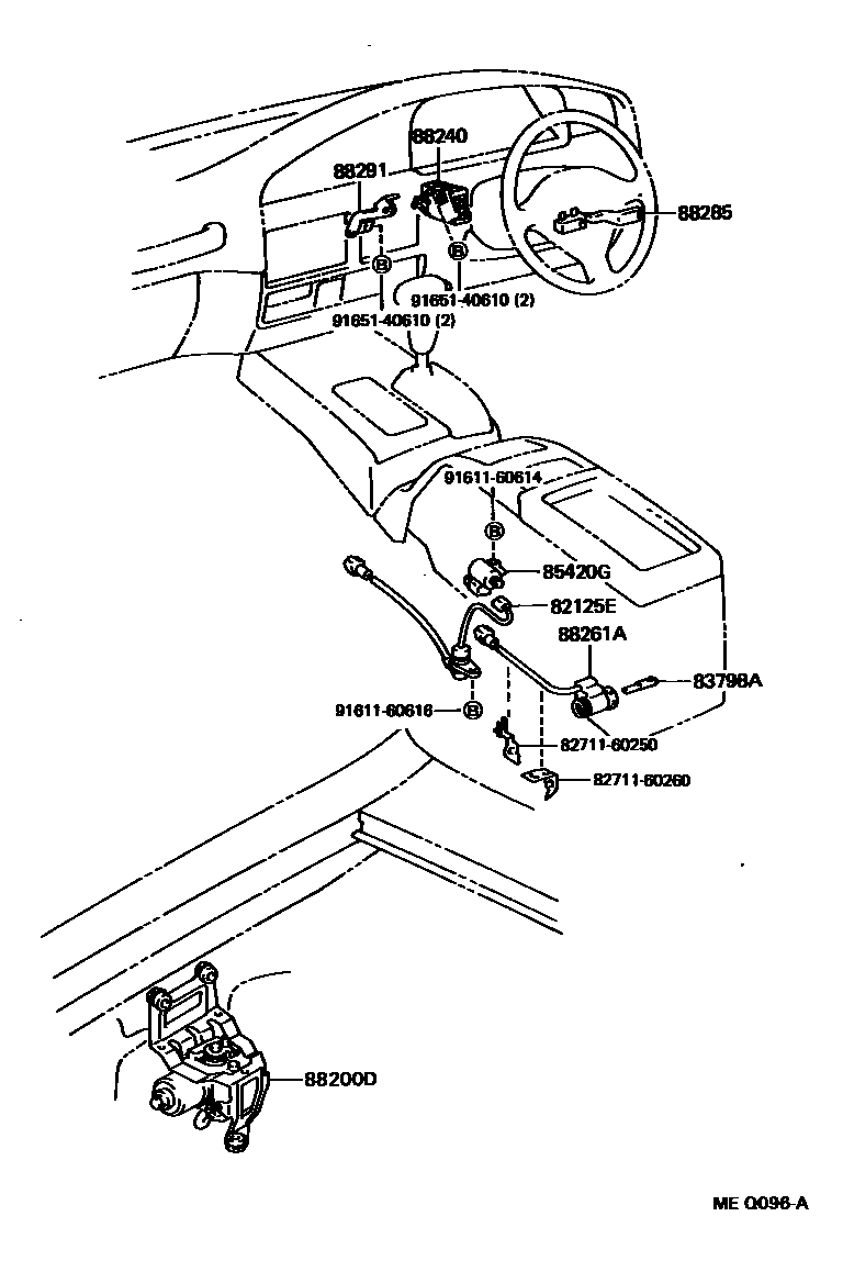
CRUISE CONTROL (AUTO DRIVE)

82125EWIRE, TRANSMISSION
83798AKEY, SPEEDOMETER CABLE ADAPTER
85420GSOLENOID ASSY, TRANSMISSION
88261ASENSOR, SPEED CRUISE CONTROL
88285SWITCH, CRUISE CONTROL
W(CRUISE CONTROL)
W(AIR BAG)
8271160250WIRE, FUSE TO FUSE(FOR COMBUSTION HEATER)
main82711-60250
8271160260WIRE, FUSE TO FUSE(FOR COMBUSTION HEATER)
main82711-60260
9161160614
main91611-60614
9161160616
main91611-60616
9165140610
main91651-40610
13 parts on this diagram · 2 diagrams in section