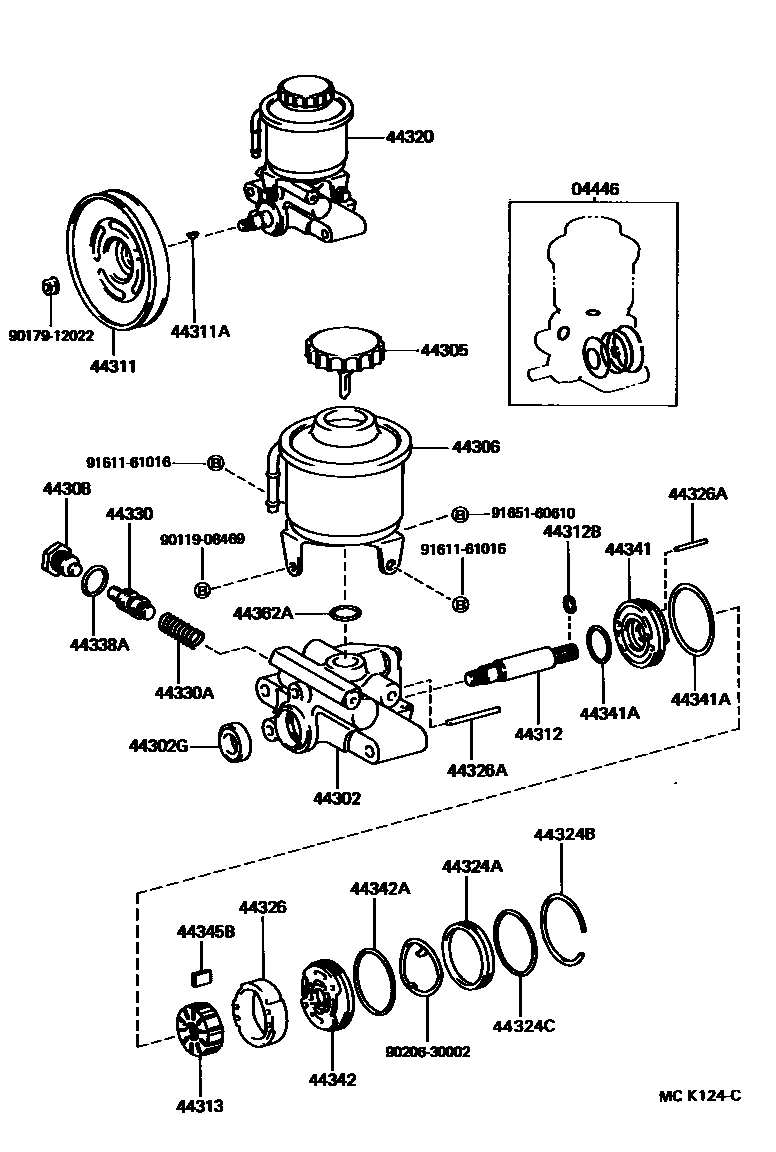
VANE PUMP & RESERVOIR (POWER STEERING)

44302HOUSING SUB-ASSY, VANE PUMP, FRONT
44308UNION SUB-ASSY, PRESSURE PORT
44311PULLEY, VANE PUMP
44311AKEY, VANE PUMP PULLEY
44312SHAFT, VANE PUMP
44312BRING, SNAP, NO.1(FOR VANE PUMP SHAFT)
44313ROTOR, VANE PUMP
NO MARK
MARK 1
MARK 2
MARK 3
MARK 4
NO MARK
MARK 1
MARK 2
MARK 3
MARK 4
44324AHOUSING, PUMP, REAR
44324BRING, HOLE SNAP(FOR PUMP HOUSING REAR)
44326RING, CAM(FOR VANE PUMP)
NO MARK
MARK 1
MARK 2
MARK 3
MARK 4
NO MARK
MARK 1
MARK 2
MARK 3
MARK 4
NO MARK
MARK 1
MARK 2
MARK 3
44326APIN, STRAIGHT(FOR VANE PUMP CAM RING)
L=29.1
L=28,OD=4.0
L=43,OD=4.0
44330VALVE ASSY, FLOW CONTROL
MARK A
MARK B
MARK C
MARK D
MARK E
MARK F
TWO GROOVE
ONE GROOVE
NO GROOVE
TWO GROOVE
ONE GROOVE
NO GROOVE
MARK A
MARK B
MARK C
MARK D
MARK E
MARK F
44330ASPRING, COMPRESSION(FOR FLOW CONTROL VALVE)
44338ARING, O(FOR PRESSURE PORT UNION)
44341PLATE, VANE PUMP SIDE, FRONT
44341ARING, O(FOR VANE PUMP FRONT SIDE PLATE)
INNER
INNER
OUTER
OUTER
44342PLATE, VANE PUMP SIDE, REAR
44345BPLATE, VANE PUMP
L=14.997
L=14.995
L=14.993
L=14.991
L=14.989
L=15.000
L=14.998
L=14.996
L=14.994
L=14.992
L=14.996
L=14.994
L=14.992
44362ARING, O(FOR VANE PUMP OIL RESERVOIR)
sub90301-11016
9011908469
main90119-08469
9017912022
main90179-12022
9020630002
main90206-30002
9161161016
main91611-61016
9165160610
main91651-60610
31 parts on this diagram · 5 diagrams in section