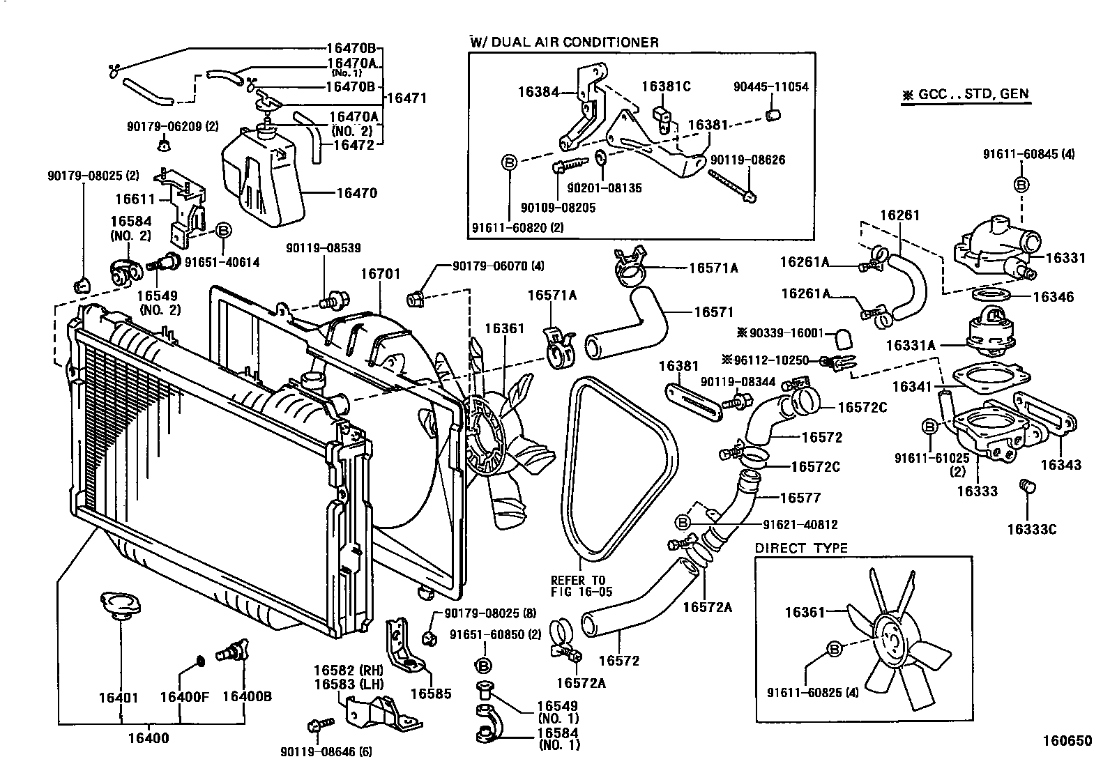
RADIATOR & WATER OUTLET

1605
16261HOSE, WATER BY-PASS
COLD AREA SPEC
16261ACLAMP OR CLIP, HOSE(FOR WATER BY-PASS HOSE)
COLD AREA SPEC
16331OUTLET, WATER
16331ATHERMOSTAT
*WAX 88-100
*WAX 76-90
*WAX 82-95
16333HOUSING, WATER OUTLET
16333CPLUG, W/HEAD TAPER SCREW
16341GASKET, WATER OUTLET
16343GASKET, WATER OUTLET HOUSING
16346GASKET, THERMOSTAT
16361FAN
SOUTH AFRICA SPEC OR W(AIR CONDITIONER)
W(AIR CONDITIONER)
16381BAR, FAN BELT ADJUSTING
W(12V-100A ALTERNATOR)
W(AIR CONDITIONER)
W(12V-90AIC ALTERNATOR)
W(12V-80A OR 12V-55A ALTERNATOR)
W(12V-100A ALTERNATOR)
16381CBAR, FAN BELT ADJUSTING, NO.2
W(AIR CONDITIONER)
16384BRACKET, FAN BELT ADJUSTING BAR
W(AIR CONDITIONER)
16400BPLUG, RADIATOR DRAIN COCK
16400FPACKING(FOR RADIATOR DRAIN COCK)
16470TANK ASSY, RADIATOR RESERVE
16470AHOSE OR PIPE(FOR RADIATOR RESERVE TANK)
L=600(*H,L=210)
L=600(*H,L=210),NO.2
16470BCLAMP OR CLIP(FOR RADIATOR RESERVE TANK HOSE)
16471CAP SUB-ASSY, RESERVE TANK
16472HOSE, BREATHER
16549COLLAR, RADIATOR SUPPORT, NO.2
NO.1
NO.2
16571HOSE, RADIATOR, INLET
16571ACLAMP OR CLIP, HOSE(FOR RADIATOR INLET)
sub90467-41002
16572HOSE, RADIATOR, OUTLET
WATER PUMP SIDE
RADIATOR SIDE
16572ACLAMP OR CLIP, HOSE(FOR RADIATOR OUTLET NO.1)
RADIATOR SIDE
ENGINE SIDE
16572CCLAMP OR CLIP, HOSE(FOR RADIATOR OUTLET NO.2)
16582BRACKET, RADIATOR, NO.1
16583BRACKET, RADIATOR, NO.2
16584INSULATOR, RADIATOR MOUNTING
NO.1
16585BRACKET, RADIATOR, NO.3
16611BRACKET, RADIATOR RESERVE TANK
16701SHROUD SUB-ASSY, FAN
9010908205
main90109-08205
9011908344
main90119-08344
9011908539
main90119-08539
9011908626
main90119-08626
9011908646
main90119-08646
9017906070
main90179-06070
9017906209
main90179-06209
9017908025
main90179-08025
9020108135
main90201-08135
9033916001
main90339-16001
9044511054
main90445-11054
9161160820
main91611-60820
9161160825
main91611-60825
9161160845
main91611-60845
9161161025
main91611-61025
9162140812
main91621-40812
9165140614
main91651-40614
9165160850
main91651-60850
9611210250
main96112-10250
55 parts on this diagram · 10 diagrams in section