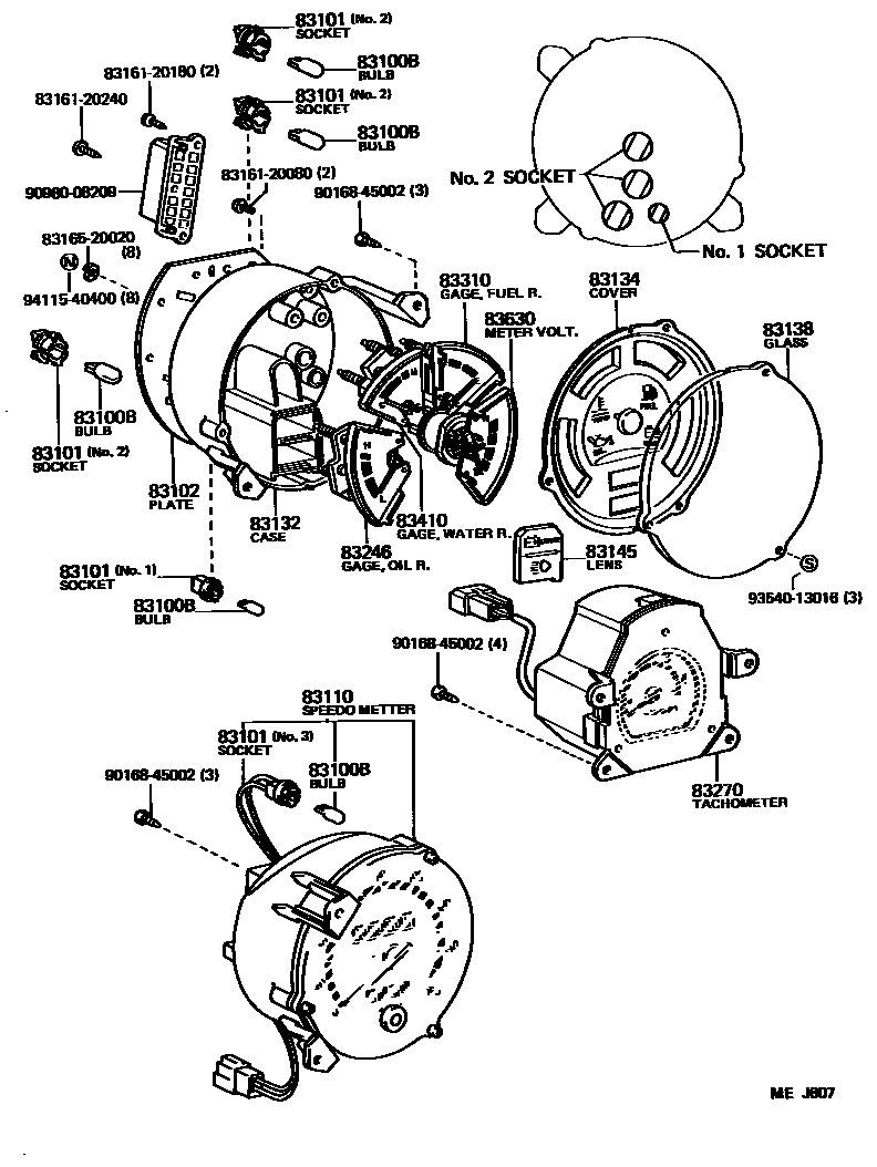
METER

83100BBULB, COMBINATION METER, NO.1
12V 1.2W W/O SOCKET
12V 3.4W
83101SOCKET SUB-ASSY, COMBINATION METER BULB
NO.1
NO.2
83102PLATE SUB-ASSY, COMBINATION METER CIRCUIT, NO.1
83110SPEEDOMETER ASSY
MPH
MPH
83132CASE, COMBINATION METER
83134COVER, COMBINATION METER, NO.1
83138GLASS, SPEEDOMETER
83145LENS, METER, NO.1
83246GAUGE, OIL PRESSURE RECEIVER
83270TACHOMETER ASSY, ENGINE
83310GAGE ASSY, FUEL RECEIVER
83410GAGE ASSY, WATER TEMPERATURE RECEIVER
WIDE ANGLE
83630VOLTMETER ASSY
8316120080CASE, COMBINATION METER MIRROR, NO.1
main83161-20080
8316120180CASE, COMBINATION METER MIRROR, NO.1
main83161-20180
8316120240CASE, COMBINATION METER MIRROR, NO.1
main83161-20240
8316520020MIRROR, COMBINATION METER, NO.2
main83165-20020
9016845002
main90168-45002
9098008209
main90980-08209
9354013016
main93540-13016
9411540400
main94115-40400
21 parts on this diagram · 3 diagrams in section