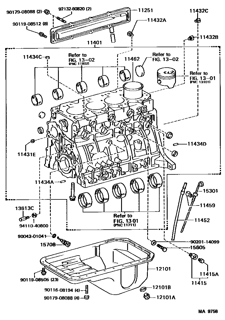
CYLINDER BLOCK

11251COVER, VALVE PUSH ROD
11401BLOCK SUB-ASSY, CYLINDER
sub11401-69306
11415COCK SUB-ASSY, WATER DRAIN(FOR CYLINDER BLOCK)
11415APLUG, WATER DRAIN COCK(FOR CYLINDER BLOCK)
11431EPLUG, TIGHT, NO.5(FOR CYLINDER BLOCK)
11432CPLUG, W/HEAD TAPER SCREW, NO.3
11434APIN, STRAIGHT(FOR TIMING GEAR COVER SET)
L=23,OD=8
L=18,OD=8
11434CPIN, STRAIGHT (FOR CYLINDER HEAD SET)
L=12,OD=6
L=15,OD=8
L=7,OD=14.5
L=7,OD=16.5
11434DPIN, STRAIGHT(FOR ENGINE REAR OIL SEAL)
L=23,OD=8
L=18,OD=8
11452GUIDE, OIL LEVEL GAGE
11459SUPPORT, OIL LEVEL GAGE GUIDE
11462LINER, CYLINDER
12101BGASKET(FOR OIL PAN DRAIN PLUG)
sub90430-12019
sub90430-12028
sub90430-12031
sub90430-18023
sub90430-18023
1301
1302
13613CNOZZLE, OIL
15605VALVE SUB-ASSY, OIL CHECK
9004301041
main90043-01041
9011608194
main90116-08194
9011908505
main90119-08505
9011908512
main90119-08512
9017908088
main90179-08088
9020114099
main90201-14099
9213260820
main92132-60820
9411040800
main94110-40800
31 parts on this diagram · 5 diagrams in section