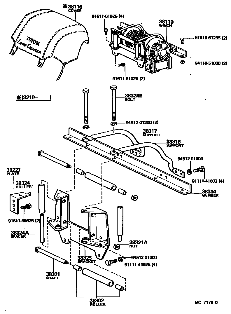
WINCH

38110WINCH ASSY
MECHANICAL
MECHANICAL
12V,ELECTRIC
12V,ELECTRIC
12V,ELECTRIC
24V,ELECTRIC
24V,ELECTRIC
24V,ELECTRIC
38116COVER, WINCH
ELECTRIC
ELECTRIC
MECHANICAL
38227PLATE, WINCH CLUTCH LEVER SHIFT LOCK
38302ROLLER SUB-ASSY, WINCH WIRE GUIDE
MECHANICAL
ELECTRIC
38314MEMBER, REAR BASE
38317SUPPORT, ROLLER BRACKET, NO.1
38318SUPPORT, ROLLER BRACKET, NO.2
38321SHAFT, WINCH ROLLER
38321ANUT, HEXAGON (FOR WINCH ROLLER SHAFT)
38324ROLLER, WINCH WIRE GUIDE, NO.2
MECHANICAL
main38324-60040×2iBJ60,FJ62..LHD;HJ60..HRF..GEN;HJ60..LHD..MTM..SRF;HJ60..4FC..SOB..EUR198411-198510
ELECTRIC
38324ASPACER, WINCH WIRE GUIDE ROLLER
38324BBOLT, HEXAGON (FOR WINCH WIRE GUIDE ROLLER)
38325BRACKET, WINCH ROLLER, NO.1
MECHANICAL
ELECTRIC
9111141025
main91111-41025
9111141032
main91111-41032
9161140825
main91611-40825
9161161025
main91611-61025
9161961235
main91619-61235
9411051000
main94110-51000
9451201000
main94512-01000
9451201200
main94512-01200
21 parts on this diagram · 7 diagrams in section