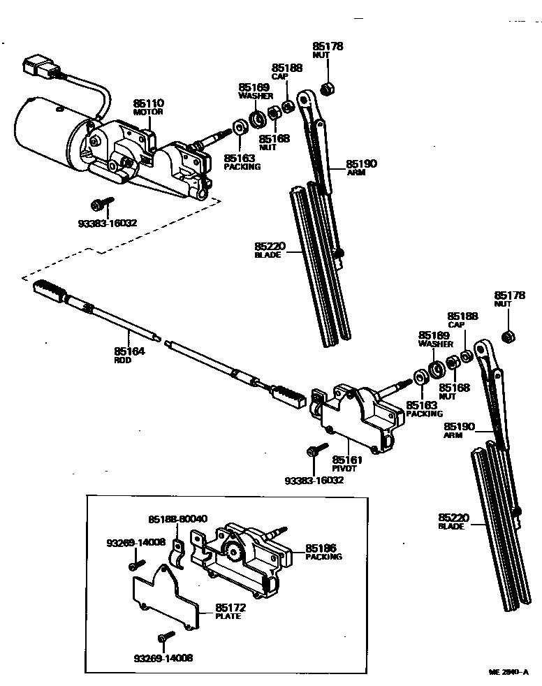
WINDSHIELD WIPER

85110MOTOR ASSY, WINDSHIELD WIPER
FOR HINGED WINDSHIELD,12V
FOR HINGED WINDSHIELD
FOR HINGED WINDSHIELD,12V
FOR HINGED WINDSHIELD
85161PIVOT, WINDSHIELD WIPER LINK, NO.1
85163PACKING, WINDSHIELD WIPER PIVOT
85164ROD, WINDSHIELD WIPER LINK, NO.1
85172PLATE, WINDSHIELD WIPER LINK PIVOT HOUSING END
85178NUT (FOR FRONT WIPER ARM SETTING)
W/WAVE WASHER
85186PACKING, WINDSHIELD WIPER LINK PIVOT, B
MOTOR SIDE
PIVOT SIDE
85188CAP, WINDSHIELD WIPER PIVOT, NO.1
85190ARM ASSY, WINDSHIELD WIPER
FOR HINGED WINDSHIELD
SILVER
BLACK
SILVER
BLACK
8518860040CAP, WINDSHIELD WIPER PIVOT, NO.1
main85188-60040
9326914008
main93269-14008
9338316032
main93383-16032
15 parts on this diagram · 9 diagrams in section